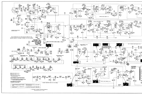
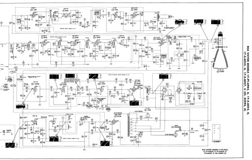
17-PT-6962U Ch= KCS94A
RCA (RCA Victor Co. Inc.); New York (NY)
- País
- Estados Unidos
- Fabricante / Marca
- RCA (RCA Victor Co. Inc.); New York (NY)
- Año
- 1956 ?
- Categoría
- Televisión (TV) o monitor
- Radiomuseum.org ID
- 277431
-
- alternative name: RCA Manufacturing || Victor Talking Machine
Haga clic en la miniatura esquemática para solicitarlo como documento gratuito.
- Numero de valvulas
- 17
- Válvulas
- 4BQ7A 2AF4 or 2AF4A 5X8 3CF6 3CB6 5AS8 6AW8 5U8 3AL5 5AQ5 6CG7 5AQ5 6CG7 12BQ6GTB or 12CU6 12AX4GTA 1X2B 17AVP4
- Principio principal
- Superheterodino con paso previo de RF
- Gama de ondas
- VHF/UHF (see notes for details)
- Tensión de funcionamiento
- Red: Corriente alterna (CA, Inglés = AC) / 60 cycles, 117V = 110 -120 Volt
- Altavoz
- Altavoz dinámico (de imán permanente) / Ø 4 inch = 10.2 cm
- Material
- Plástico moderno (Nunca bakelita o catalina)
- de Radiomuseum.org
- Modelo: 17-PT-6962U Ch= KCS94A - RCA RCA Victor Co. Inc.; New
- Forma
- Sobremesa de cualquier forma, detalles no conocidos.
- Anotaciones
-
THE RCA VICTOR model 17-PT-6962U is a 21" b/w TV with US standard VHF Tuner channels 2 thru 13, 14 thru 83 UHF.Equipped with VHF Tuner KRK29A, UHF tuner KRK36A, chassis KCS94A and picture tube 17AVP4.
- Documentación / Esquemas (1)
- Photofact Folder, Howard W. SAMS (Set 315 Folder 9)
- Documentación / Esquemas (2)
- Photofact Folder, Howard W. SAMS (Set 334 Folder 1 dated 10-56)
- Autor
- Modelo creado por Dirk Taekels. Ver en "Modificar Ficha" los participantes posteriores.
- Otros modelos
-
Donde encontrará 5179 modelos, 3252 con imágenes y 4216 con esquemas.
Ir al listado general de RCA (RCA Victor Co. Inc.); New York (NY)