210KA465, 210KA466 CH= KCS127F
RCA (RCA Victor Co. Inc.); New York (NY)
- País
- Estados Unidos
- Fabricante / Marca
- RCA (RCA Victor Co. Inc.); New York (NY)
- Año
- 1959
- Categoría
- Televisión (TV) o monitor
- Radiomuseum.org ID
- 156681
-
- alternative name: RCA Manufacturing || Victor Talking Machine
Haga clic en la miniatura esquemática para solicitarlo como documento gratuito.
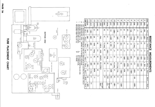
- Numero de valvulas
- 18
- Válvulas
- Principio principal
- Superheterodino en general
- Gama de ondas
- Bandas de recepción puestas en notas.
- Tensión de funcionamiento
- Red: Corriente alterna (CA, Inglés = AC) / 110 - 120 Volt
- Altavoz
- Altavoz dinámico (de imán permanente)
- Material
- Madera
- de Radiomuseum.org
- Modelo: 210KA465, 210KA466 CH= KCS127F - RCA RCA Victor Co. Inc.; New
- Forma
- Sobremesa de cualquier forma, detalles no conocidos.
- Anotaciones
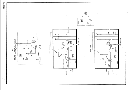
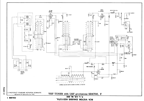
- 21" b/w Television Receiver, Picture tube: 21EQP4, Some models are equipped with continuous UHF tuner, tube quantity UHF: 19 or 20.
Tuning Range: TV - Channels 2 thru 13 VHF, 14 thru 84 UHF.
- Documentación / Esquemas (1)
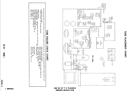
- Photofact Folder, Howard W. SAMS (Date 11-59, Set 461, Folder 1)
- Autor
- Modelo creado por Egon Penker. Ver en "Modificar Ficha" los participantes posteriores.
- Otros modelos
-
Donde encontrará 5179 modelos, 3252 con imágenes y 4216 con esquemas.
Ir al listado general de RCA (RCA Victor Co. Inc.); New York (NY)