21-CD-7975U "The Arliss" Ch= CTC5AB
RCA (RCA Victor Co. Inc.); New York (NY)
- Country
- United States of America (USA)
- Manufacturer / Brand
- RCA (RCA Victor Co. Inc.); New York (NY)
- Year
- 1956/1957
- Category
- Television Receiver (TV) or Monitor
- Radiomuseum.org ID
- 243568
-
- alternative name: RCA Manufacturing || Victor Talking Machine
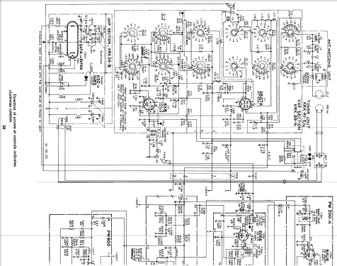
Click on the schematic thumbnail to request the schematic as a free document.
- Number of Tubes
- 31
- Valves / Tubes
- 6BQ7A 6X8 6AF4 or 6AF4A 6DE6 6DE6 6CB6 6AW8 12BY7A 6AU6 6AU6 6T8 6AQ5 6U8 6CG7 6AQ5 6CG7 6CB5A 6AU4GTA 1V2 3A3 6BK4 6AW8 6AW8 12BH7A 6BY6 6BY6 6CB6 12BH7A 5U4GB 5U4GB 21AXP22A
- Main principle
- Superhet with RF-stage
- Wave bands
- VHF incl. FM and/or UHF (see notes for details)
- Power type and voltage
- Alternating Current supply (AC) / 60 cycles, 117 Volt
- Loudspeaker
- 3 Loudspeakers
- Power out
- 3 W (max.)
- Material
- Wooden case
- from Radiomuseum.org
- Model: 21-CD-7975U "The Arliss" Ch= CTC5AB - RCA RCA Victor Co. Inc.; New
- Shape
- Console with any shape - in general
- Dimensions (WHD)
- 31.56 x 38.63 x 28.13 inch / 802 x 981 x 715 mm
- Notes
-
The RCA 21-CD-7975U is a 21" color TV with US standard VHF Tuner channels 2 thru 13, 14 thru 83 UHF. Equipped with chassis CTC5AB, tuner KRK42A and picture tube 21AXP22A. Uses Qty(2) PM 3.5" speakers and Qty(1) PM 8" speaker. Cabinet color is mahogany.
General Family Description: 3-Speaker "Panoramic Sound", genuine mahogany or blond tropical, hardwood veneers and solids. Cabinet color codes were indicated with the following additional suffix: (Taken from Ed Reitan), an U on the last digit stands for built-in UHF tuner. "0" Genuine Dark Cherry or Autumn Cherry Veneers and Solids "2" Ebony Finish "4" Genuine Maple Veneers and Solids "5" Mahogany Grained Finish, or Genuine Mahogany Veneers and Solids "6" Walnut (Grained or Natural) Finish, or Genuine (Natural or French) Walnut Veneers and Solids "7" Limed Oak Grained Finish, or Genuine Blonde Hardwood Veneers and Solids "8" Genuine Bleached Birch Veneers and Solids "9" Genuine Maple or Light Cherry Veneers and Solids
- Source of data
- -- Original prospect or advert
- Literature/Schematics (1)
- - - Manufacturers Literature (RCA Datasheet 1956 No. T6 Dated 7-5-56)
- Author
- Model page created by John Kusching. See "Data change" for further contributors.
- Other Models
-
Here you find 5179 models, 3252 with images and 4216 with schematics for wireless sets etc. In French: TSF for Télégraphie sans fil.
All listed radios etc. from RCA (RCA Victor Co. Inc.); New York (NY)
Collections
The model 21-CD-7975U "The Arliss" is part of the collections of the following members.