21-CT-55 Ch= CTC2B
RCA (RCA Victor Co. Inc.); New York (NY)
- País
- Estados Unidos
- Fabricante / Marca
- RCA (RCA Victor Co. Inc.); New York (NY)
- Año
- 1954/1955
- Categoría
- Televisión (TV) o monitor
- Radiomuseum.org ID
- 133459
-
- alternative name: RCA Manufacturing || Victor Talking Machine
Haga clic en la miniatura esquemática para solicitarlo como documento gratuito.
- Numero de valvulas
- 36
- Válvulas
- 6BQ7A 6AF4 6U8 6DC6 6DC6 6DC6 6AN8 6CL6 6CL6 6AN8 6AN8 6U8 6AU6 6AL5 6AV6 6AQ5 12AT7 6BL7GT 6SN7GT 6CB5 6BL4 3A2 3A2 3A2 6BD4A 6AN8 6AN8 6AN8 6AN8 6BY6 6BY6 6AN8 12BH7 12BH7 12BH7 6BC7 21AXP22
- Principio principal
- Superheterodino con paso previo de RF
- Gama de ondas
- Bandas de recepción puestas en notas.
- Tensión de funcionamiento
- Red: Corriente alterna (CA, Inglés = AC) / 60 Hz, 117V = 110 -120 Volt
- Altavoz
- 2 Altavoces
- Material
- Madera
- de Radiomuseum.org
- Modelo: 21-CT-55 Ch= CTC2B - RCA RCA Victor Co. Inc.; New
- Forma
- Consola baja, patas más cortas del 50%.
- Anotaciones
-
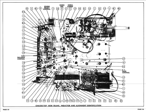
RCA Victor model 21CT55 is a 21” color TV with US standard VHF tuner channels 2 thru
13, and 14 thru 83 UHF. Equipped with chassis CTC2B, VHF- UHF-tuner KRK12C and picture tube 21AXP22.
Red Mahogany or Blonde grained finish.
The set consumed 525 watts.
- Precio durante el primer año
- 895.00 $
- Procedencia de los datos
- -- Collector info (Sammler)
- Documentación / Esquemas (1)
- Photofact Folder, Howard W. SAMS (Set 300 Folder 8 dated 12-55)
- Autor
- Modelo creado por un miembro de A. Ver en "Modificar Ficha" los participantes posteriores.
- Otros modelos
-
Donde encontrará 5180 modelos, 3254 con imágenes y 4217 con esquemas.
Ir al listado general de RCA (RCA Victor Co. Inc.); New York (NY)