21-D-395U Ch= KCS81K
RCA (RCA Victor Co. Inc.); New York (NY)
- Pays
- Etats-Unis
- Fabricant / Marque
- RCA (RCA Victor Co. Inc.); New York (NY)
- Année
- 1955 ?
- Catégorie
- Récepteur de télévision ou moniteur
- Radiomuseum.org ID
- 332212
-
- alternative name: RCA Manufacturing || Victor Talking Machine
Cliquez sur la vignette du schéma pour le demander en tant que document gratuit.
- Principe général
- Super hétérodyne avec étage HF
- Tension / type courant
- Alimentation Courant Alternatif (CA) / 60 Hz, 117V = 110 -120 Volt
- De Radiomuseum.org
- Modèle: 21-D-395U Ch= KCS81K - RCA RCA Victor Co. Inc.; New
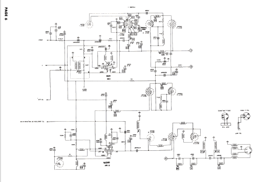
- Schémathèque (1)
- Photofact Folder, Howard W. SAMS (Set 219 Folder 7 11/53)
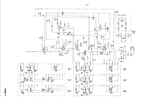
- Schémathèque (2)
- Photofact Folder, Howard W. SAMS (Set 301 Folder 1 Production Changes Bulletin 141 Dated 12-55)
- Auteur
- Modèle crée par Dirk Taekels. Voir les propositions de modification pour les contributeurs supplémentaires.
- D'autres Modèles
-
Vous pourrez trouver sous ce lien 5179 modèles d'appareils, 3252 avec des images et 4216 avec des schémas.
Tous les appareils de RCA (RCA Victor Co. Inc.); New York (NY)