21-T-322 Ch= KCS82, B
RCA (RCA Victor Co. Inc.); New York (NY)
- Country
- United States of America (USA)
- Manufacturer / Brand
- RCA (RCA Victor Co. Inc.); New York (NY)
- Year
- 1953 ?
- Category
- Television Receiver (TV) or Monitor
- Radiomuseum.org ID
- 363514
-
- alternative name: RCA Manufacturing || Victor Talking Machine
Click on the schematic thumbnail to request the schematic as a free document.
- Number of Tubes
- 22
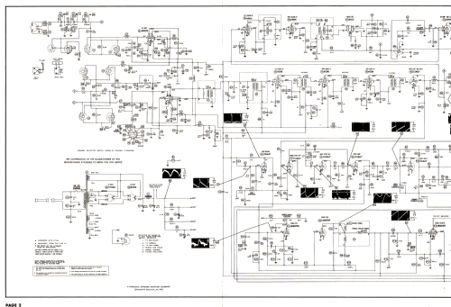
- Valves / Tubes
- 6BQ7A 6X8 6CB6 6CB6 6CB6 12AU7 6CL6 12AU7 6AU6 6AU6 6AL5 6AV6 6K6GT 12AU7 6K6GT 6SN7GT 6BQ6GT 6W4GT 1B3GT 5U4G 5Y3GT 21AP4
- Main principle
- Superhet with RF-stage
- Wave bands
- Wave Bands given in the notes.
- Power type and voltage
- Alternating Current supply (AC) / 60 Hz, 117V = 110 -120 Volt
- Loudspeaker
- Permanent Magnet Dynamic (PDyn) Loudspeaker (moving coil) / Ø 10 inch = 25.4 cm
- Material
- Wooden case
- from Radiomuseum.org
- Model: 21-T-322 Ch= KCS82, B - RCA RCA Victor Co. Inc.; New
- Shape
- Console, Lowboy (legs < 50 %).
- Notes
-
RCA Victor model 21-T-322 is a 21” b/w TV with US standard VHF tuner channels 2 thru 13. Equipped with chassis KCS82, B, VHF tuner KRK11-B and picture tube 21AP4.
- Literature/Schematics (2)
- Photofact Folder, Howard W. SAMS (Set 207, folder 7, dated 6-53)
- Author
- Model page created by Dirk Taekels. See "Data change" for further contributors.
- Other Models
-
Here you find 5179 models, 3252 with images and 4216 with schematics for wireless sets etc. In French: TSF for Télégraphie sans fil.
All listed radios etc. from RCA (RCA Victor Co. Inc.); New York (NY)