21-T-322U Ch= KCS82, B
RCA (RCA Victor Co. Inc.); New York (NY)
- Land
- USA
- Hersteller / Marke
- RCA (RCA Victor Co. Inc.); New York (NY)
- Jahr
- 1953 ?
- Kategorie
- Fernseh-Empfänger/Monitor
- Radiomuseum.org ID
- 363515
-
- anderer Name: RCA Manufacturing || Victor Talking Machine
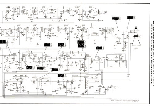
Klicken Sie auf den Schaltplanausschnitt, um diesen kostenlos als Dokument anzufordern.
- Anzahl Röhren
- 22
- Röhren
- 6BQ7A 6X8 6CB6 6CB6 6CB6 12AU7 6CL6 12AU7 6AU6 6AU6 6AL5 6AV6 6K6GT 12AU7 6K6GT 6SN7GT 6BQ6GT 6W4GT 1B3GT 5U4G 5Y3GT 21AP4
- Hauptprinzip
- Super mit HF-Vorstufe
- Wellenbereiche
- Wellen in den Bemerkungen.
- Betriebsart / Volt
- Wechselstromspeisung / 60 Hz, 117V = 110 -120 Volt
- Lautsprecher
- Dynamischer LS, keine Erregerspule (permanentdynamisch) / Ø 10 inch = 25.4 cm
- Material
- Gerät mit Holzgehäuse
- von Radiomuseum.org
- Modell: 21-T-322U Ch= KCS82, B - RCA RCA Victor Co. Inc.; New
- Form
- Standgerät auf niedrigen Beinen (Beine < 50 % der Gesamthöhe).
- Bemerkung
-
RCA Victor model 21-T-322U is a 21” b/w TV with US standard VHF tuner channels 2 thru 13. Equipped with chassis KCS82, B, VHF tuner KRK11-B and picture tube 21AP4.
- Literatur/Schema (2)
- Photofact Folder, Howard W. SAMS (Set 207, folder 7, dated 6-53)
- Autor
- Modellseite von Dirk Taekels angelegt. Siehe bei "Änderungsvorschlag" für weitere Mitarbeit.
- Weitere Modelle
-
Hier finden Sie 5179 Modelle, davon 3253 mit Bildern und 4216 mit Schaltbildern.
Alle gelisteten Radios usw. von RCA (RCA Victor Co. Inc.); New York (NY)