21-T-6115U Ch= KCS96C
RCA (RCA Victor Co. Inc.); New York (NY)
- Land
- USA
- Hersteller / Marke
- RCA (RCA Victor Co. Inc.); New York (NY)
- Jahr
- 1955 ?
- Kategorie
- Fernseh-Empfänger/Monitor
- Radiomuseum.org ID
- 333656
-
- anderer Name: RCA Manufacturing || Victor Talking Machine
Klicken Sie auf den Schaltplanausschnitt, um diesen kostenlos als Dokument anzufordern.
- Anzahl Röhren
- 20
- Röhren
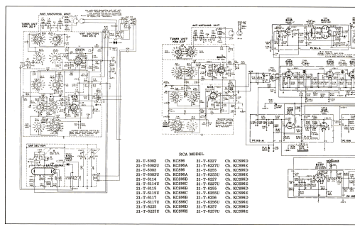
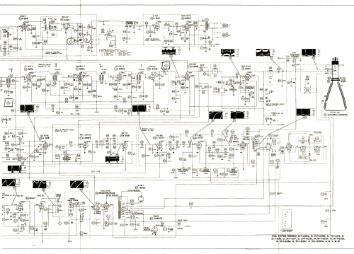
- 6AF4A 6BQ7A 6X8 6DE6 6DE6 6AS8 6AW8 6AQ5 6U8 6U8 6AL5 6AQ5 6CG7 6AQ5 6CG7 6BQ6GTB or 6CU6 6AX4GT 1B3GT 5AS4 21ACP4A
- Hauptprinzip
- Super mit HF-Vorstufe
- Betriebsart / Volt
- Wechselstromspeisung / 60 Hz, 117V = 110 -120 Volt
- Lautsprecher
- Dynamischer LS, keine Erregerspule (permanentdynamisch)
- Material
- Plastikgehäuse (nicht Bakelit), Thermoplast
- von Radiomuseum.org
- Modell: 21-T-6115U Ch= KCS96C - RCA RCA Victor Co. Inc.; New
- Form
- Tischmodell, Zusatz nicht bekannt - allgemein.
- Bemerkung
-
RCA Victor model 21-T-6115U is a 21” b/w TV with US standard VHF tuner channels 2 thru
13, and 14 thru 83 UHF. Equipped with chassis KCS96C, VHF- UHF tuner KRK30F and picture tube 21ACP4A.
- Literatur/Schema (1)
- Photofact Folder, Howard W. SAMS (Set 303 Folder 17-S dated 1-56)
- Literatur/Schema (2)
- Photofact Folder, Howard W. SAMS (Set 308 Folder 10 dated 3-56)
- Autor
- Modellseite von Dirk Taekels angelegt. Siehe bei "Änderungsvorschlag" für weitere Mitarbeit.
- Weitere Modelle
-
Hier finden Sie 5179 Modelle, davon 3253 mit Bildern und 4216 mit Schaltbildern.
Alle gelisteten Radios usw. von RCA (RCA Victor Co. Inc.); New York (NY)