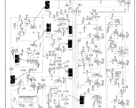
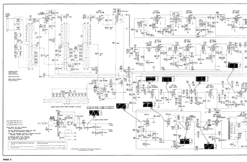
21T8397U Ch= KCS113R
RCA (RCA Victor Co. Inc.); New York (NY)
- Produttore / Marca
- RCA (RCA Victor Co. Inc.); New York (NY)
- Anno
- 1958 ?
- Categoria
- Televisore (TV) / Monitor
- Radiomuseum.org ID
- 197293
-
- alternative name: RCA Manufacturing || Victor Talking Machine
Clicca sulla miniatura dello schema per richiederlo come documento gratuito.
- Numero di tubi
- 18
- Valvole
- 6AF4A 6BQ7A 6CQ8 6AU6 6DT6 6DS5 6CF6 6CB6 6CB6 6AW8A 6CG7 6CZ5 6CG7 6DQ6A 1X2B 6AU4GTA 5U4GB 21CEP4
- Principio generale
- Supereterodina con stadio RF
- Gamme d'onda
- Gamme d'onda nelle note.
- Tensioni di funzionamento
- Alimentazione a corrente alternata (CA) / 60 Hz, 117V = 110 -120 Volt
- Altoparlante
- AP magnetodinamico (magnete permanente e bobina mobile)
- Materiali
- Mobile in legno
- Radiomuseum.org
- Modello: 21T8397U Ch= KCS113R - RCA RCA Victor Co. Inc.; New
- Forma
- Soprammobile con qualsiasi forma (non saputo).
- Annotazioni
-
RCA model 21T8397U is a 21" b/w TV with US standard VHF tuner channels 2 thru 13, and 14 thru 83 UHF. Equipped with chassis KCS113R, VHF-tuner KRK47C, UHF-tuner KRK64A and picture tube 21CEP4.
- Letteratura / Schemi (1)
- Photofact Folder, Howard W. SAMS (Date 5-58, Set 398, Folder 3)
- Letteratura / Schemi (2)
- Photofact Folder, Howard W. SAMS (Set 375 Folder 18-S dated 10-57)
- Autore
- Modello inviato da Egon Penker. Utilizzare "Proponi modifica" per inviare ulteriori dati.
- Altri modelli
-
In questo link sono elencati 5179 modelli, di cui 3252 con immagini e 4216 con schemi.
Elenco delle radio e altri apparecchi della RCA (RCA Victor Co. Inc.); New York (NY)