2ES3 Ch= RS-142
RCA (RCA Victor Co. Inc.); New York (NY)
- País
- Estados Unidos
- Fabricante / Marca
- RCA (RCA Victor Co. Inc.); New York (NY)
- Año
- 1953 ?
- Categoría
- Registrador o reproductor de sonido o visual
- Radiomuseum.org ID
- 86144
-
- alternative name: RCA Manufacturing || Victor Talking Machine
Haga clic en la miniatura esquemática para solicitarlo como documento gratuito.
- Numero de valvulas
- 3
- Principio principal
- Amplificador de Audio; 2 Etapas de AF
- Gama de ondas
- - no hay
- Especialidades
- Tocadiscos con ampli. y altavoz
- Tensión de funcionamiento
- Red: Corriente alterna (CA, Inglés = AC) / 60 Hz, 117V = 110 -120 Volt
- Altavoz
- Altavoz elíptico de imán permanente.
- Potencia de salida
- 1.2 W (unknown quality)
- Material
- Materiales diversos
- de Radiomuseum.org
- Modelo: 2ES3 Ch= RS-142 - RCA RCA Victor Co. Inc.; New
- Forma
- Sobremesa de cualquier forma, detalles no conocidos.
- Ancho, altura, profundidad
- 13.875 x 13.5 x 10.75 inch / 352 x 343 x 273 mm
- Anotaciones
-
The RCA 2ES3 is a portable AC operated 3 tube Record Player with 3 Speed Automatic Record Changer. Has Qty(1) Elliptical PM 4" x 6" speaker. Uses Record Changer 930409-5, with speeds of 33-1/3, 45 or 78 RPM. Record capacity is up to Qty(14) 7" or Qty(12) 10" or Qty(10) 12" or Qty(10) 10" and 12" intermixed.
- Peso neto
- 15 lb (15 lb 0 oz) / 6.810 kg
- Documentación / Esquemas (1)
- Beitman Radio Diagrams, Vol. 12, 1952
- Documentación / Esquemas (2)
- RCA Victor Service Notes "Red Book" Series (Volume VIII 1952, Page 17)
- Documentación / Esquemas (3)
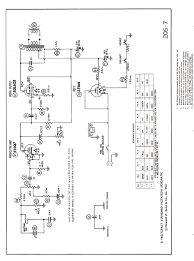
- Photofact Folder, Howard W. SAMS (Set 205, folder 7, dated 6-53)
- Autor
- Modelo creado por Walter Wiesmüller † May 2012. Ver en "Modificar Ficha" los participantes posteriores.
- Otros modelos
-
Donde encontrará 5179 modelos, 3252 con imágenes y 4216 con esquemas.
Ir al listado general de RCA (RCA Victor Co. Inc.); New York (NY)