3-X-534 Ch= RC1128
RCA (RCA Victor Co. Inc.); New York (NY)
- Country
- United States of America (USA)
- Manufacturer / Brand
- RCA (RCA Victor Co. Inc.); New York (NY)
- Year
- 1953
- Category
- Broadcast Receiver - or past WW2 Tuner
- Radiomuseum.org ID
- 138647
-
- alternative name: RCA Manufacturing || Victor Talking Machine
Click on the schematic thumbnail to request the schematic as a free document.
- Number of Tubes
- 5
- Main principle
- Superheterodyne (common); ZF/IF 455 kHz; 2 AF stage(s)
- Tuned circuits
- 6 AM circuit(s)
- Wave bands
- Broadcast only (MW).
- Power type and voltage
- AC/DC-set / 110 - 120 Volt
- Loudspeaker
- Permanent Magnet Dynamic (PDyn) Loudspeaker (moving coil) / Ø 4 inch = 10.2 cm
- from Radiomuseum.org
- Model: 3-X-534 Ch= RC1128 - RCA RCA Victor Co. Inc.; New
- Shape
- Tablemodel without push buttons, Mantel/Midget/Compact up to 14
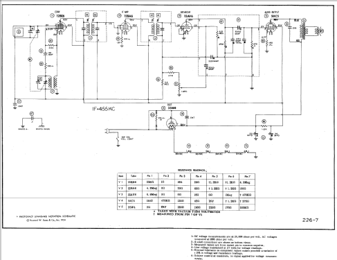
- Literature/Schematics (1)
- Photofact Folder, Howard W. SAMS (Date 1-54, Set 226, Folder 7)
- Author
- Model page created by Egon Penker. See "Data change" for further contributors.
- Other Models
-
Here you find 5179 models, 3253 with images and 4216 with schematics for wireless sets etc. In French: TSF for Télégraphie sans fil.
All listed radios etc. from RCA (RCA Victor Co. Inc.); New York (NY)
Collections
The model 3-X-534 is part of the collections of the following members.