75X11 Ch= RC-1050 1st Production
RCA (RCA Victor Co. Inc.); New York (NY)
- País
- Estados Unidos
- Fabricante / Marca
- RCA (RCA Victor Co. Inc.); New York (NY)
- Año
- 1947
- Categoría
- Radio - o Sintonizador pasado WW2
- Radiomuseum.org ID
- 53728
-
- alternative name: RCA Manufacturing || Victor Talking Machine
Haga clic en la miniatura esquemática para solicitarlo como documento gratuito.
- Numero de valvulas
- 5
- Principio principal
- Superheterodino en general; ZF/IF 455 kHz; 2 Etapas de AF
- Número de circuitos sintonía
- 6 Circuíto(s) AM
- Gama de ondas
- OM (onda media) solamente
- Tensión de funcionamiento
- Red: Aparato AC/DC. / 105-125 Volt
- Altavoz
- Altavoz dinámico (de imán permanente) / Ø 5 inch = 12.7 cm
- Potencia de salida
- 1.5 W (unknown quality)
- Material
- Plástico moderno (Nunca bakelita o catalina)
- de Radiomuseum.org
- Modelo: 75X11 Ch= RC-1050 [1st Production] - RCA RCA Victor Co. Inc.; New
- Forma
- Sobremesa de cualquier forma, detalles no conocidos.
- Ancho, altura, profundidad
- 10 x 7.2 x 7.3 inch / 254 x 183 x 185 mm
- Anotaciones
- Brown plastic.
- Ext. procedencia de los datos
- Ernst Erb
- Procedencia de los datos
- The Radio Collector's Directory and Price Guide 1921 - 1965
- Referencia esquema
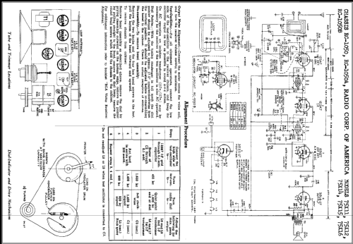
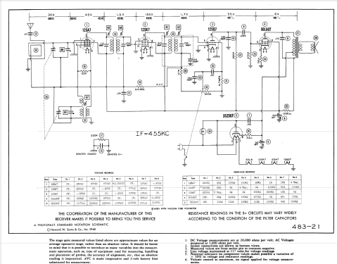
- Rider's Perpetual, Volume 18 = 1949 and before
- Mencionado en
- Collector's Guide to Antique Radios 4. Edition
- Documentación / Esquemas (1)
- Beitman Radio Diagrams, Vol. 09, 1949 (RCA Victor Instruments Service Notes 1947)
- Documentación / Esquemas (2)
- Machine Age to Jet Age II (page 237.)
- Documentación / Esquemas (4)
- Photofact Folder, Howard W. SAMS (Set 33, Date 2/48, Folder 483-21)
- Otros modelos
-
Donde encontrará 5180 modelos, 3254 con imágenes y 4217 con esquemas.
Ir al listado general de RCA (RCA Victor Co. Inc.); New York (NY)
Colecciones
El modelo 75X11 es parte de las colecciones de los siguientes miembros.