7-HF-4 Ch= RS-146F
RCA (RCA Victor Co. Inc.); New York (NY)
- Pays
- Etats-Unis
- Fabricant / Marque
- RCA (RCA Victor Co. Inc.); New York (NY)
- Année
- 1956 ?
- Catégorie
- Enrégistreur et/ou reproducteur son/video
- Radiomuseum.org ID
- 269626
-
- alternative name: RCA Manufacturing || Victor Talking Machine
Cliquez sur la vignette du schéma pour le demander en tant que document gratuit.
- No. de tubes
- 4
- Principe général
- Amplification audio
- Gammes d'ondes
- - sans
- Particularités
- Tourne disque avec changeur; Equipement HIFI
- Tension / type courant
- Alimentation Courant Alternatif (CA) / 60 cycles, 105-125 Volt
- Haut-parleur
- 3 HP
- Matière
- Boitier en bois
- De Radiomuseum.org
- Modèle: 7-HF-4 Ch= RS-146F - RCA RCA Victor Co. Inc.; New
- Forme
- Console avec pieds bas < 50% de la hauteur
- Dimensions (LHP)
- 29 x 31 x 15.5 inch / 737 x 787 x 394 mm
- Remarques
-
3 PMD speakers 8 inch, 3.5inch, 3.5inch.
Selenium rectifier.
4 speed automatic record changer model RP-205-2.
- Schémathèque (1)
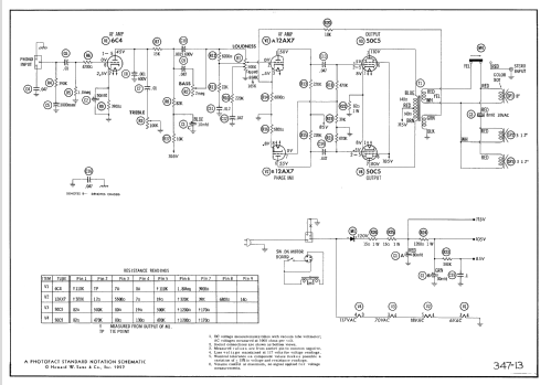
- Photofact Folder, Howard W. SAMS (Set 347 Folder 13 Date 2-57)
- Auteur
- Modèle crée par Dirk Taekels. Voir les propositions de modification pour les contributeurs supplémentaires.
- D'autres Modèles
-
Vous pourrez trouver sous ce lien 5179 modèles d'appareils, 3253 avec des images et 4216 avec des schémas.
Tous les appareils de RCA (RCA Victor Co. Inc.); New York (NY)