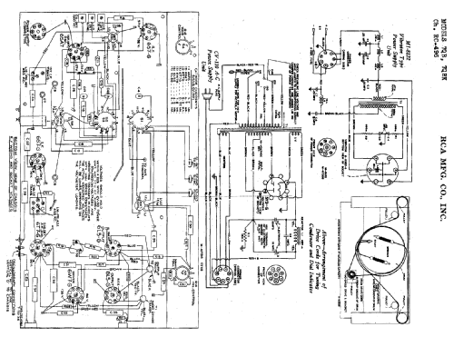
7QBK Ch= RC-496
RCA (RCA Victor Co. Inc.); New York (NY)
- Country
- United States of America (USA)
- Manufacturer / Brand
- RCA (RCA Victor Co. Inc.); New York (NY)
- Year
- 1939
- Category
- Broadcast Receiver - or past WW2 Tuner
- Radiomuseum.org ID
- 53750
-
- alternative name: RCA Manufacturing || Victor Talking Machine
Click on the schematic thumbnail to request the schematic as a free document.
- Number of Tubes
- 7
- Main principle
- Superhet with RF-stage; ZF/IF 455 kHz
- Wave bands
- Broadcast plus 2 Short Wave bands.
- Power type and voltage
- Other, details in remarks or not known.
- Loudspeaker
- Permanent Magnet Dynamic (PDyn) Loudspeaker (moving coil) / Ø 12 inch = 30.5 cm
- Power out
- 2 W (unknown quality)
- Material
- Wooden case
- from Radiomuseum.org
- Model: 7QBK Ch= RC-496 - RCA RCA Victor Co. Inc.; New
- Shape
- Console with any shape - in general
- Dimensions (WHD)
- 25.5 x 38 x 12.5 inch / 648 x 965 x 318 mm
- Notes
- Power supplies: CV-110 for AC; MI-8122 for DC (with vibrator).
- Net weight (2.2 lb = 1 kg)
- 48.25 lb (48 lb 4 oz) / 21.906 kg
- External source of data
- Ernst Erb
- Source of data
- Collector's Guide to Antique Radios 4. Edition
- Circuit diagram reference
- Rider's Perpetual, Volume 12 = ca. 1941 and before
- Mentioned in
- Guide to Old Radios
- Literature/Schematics (1)
- RCA Victor Service Notes "Red Book" Series
- Other Models
-
Here you find 5179 models, 3253 with images and 4216 with schematics for wireless sets etc. In French: TSF for Télégraphie sans fil.
All listed radios etc. from RCA (RCA Victor Co. Inc.); New York (NY)