8-BT-7LE Ch= 1169A
RCA (RCA Victor Co. Inc.); New York (NY)
- Produttore / Marca
- RCA (RCA Victor Co. Inc.); New York (NY)
- Anno
- 1957 ?
- Categoria
- Radio (o sintonizzatore del dopoguerra WW2)
- Radiomuseum.org ID
- 311956
-
- alternative name: RCA Manufacturing || Victor Talking Machine
Clicca sulla miniatura dello schema per richiederlo come documento gratuito.
- Numero di transistor
- 4
- Principio generale
- Supereterodina (in generale); ZF/IF 455 kHz
- Gamme d'onda
- Solo onde medie (OM).
- Tensioni di funzionamento
- Batterie a secco / 9 Volt
- Altoparlante
- AP magnetodinamico (magnete permanente e bobina mobile) / Ø 2.12 inch = 5.4 cm
- Materiali
- Plastica (non bachelite o catalina)
- Radiomuseum.org
- Modello: 8-BT-7LE Ch= 1169A - RCA RCA Victor Co. Inc.; New
- Forma
- Tascabile (portatile molto piccola), < 20 cm
- Annotazioni
-
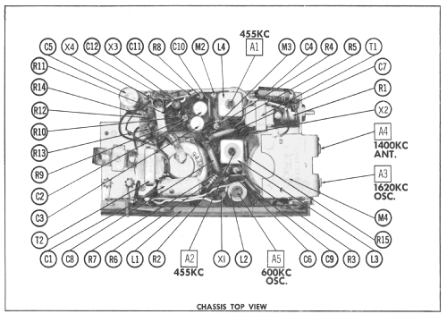
RCA Victor model 8-BT-7LE is a Battery Operated Portable Transistorized AM Receiver.
- Letteratura / Schemi (1)
- Photofact Folder, Howard W. SAMS (Set 364 Folder 10 dated 7-57)
- Autore
- Modello inviato da Dirk Taekels. Utilizzare "Proponi modifica" per inviare ulteriori dati.
- Altri modelli
-
In questo link sono elencati 5179 modelli, di cui 3252 con immagini e 4216 con schemi.
Elenco delle radio e altri apparecchi della RCA (RCA Victor Co. Inc.); New York (NY)