8-C-5F CH= RC-1179A
RCA (RCA Victor Co. Inc.); New York (NY)
- Produttore / Marca
- RCA (RCA Victor Co. Inc.); New York (NY)
- Anno
- 1957 ?
- Categoria
- Radio (o sintonizzatore del dopoguerra WW2)
- Radiomuseum.org ID
- 313670
-
- alternative name: RCA Manufacturing || Victor Talking Machine
Clicca sulla miniatura dello schema per richiederlo come documento gratuito.
- Numero di tubi
- 5
- Principio generale
- Supereterodina (in generale); ZF/IF 455 kHz
- Gamme d'onda
- Solo onde medie (OM).
- Tensioni di funzionamento
- Alimentazione a corrente alternata (CA) / 60 Hz, 117V = 110 -120 Volt
- Altoparlante
- AP magnetodinamico (magnete permanente e bobina mobile) / Ø 4 inch = 10.2 cm
- Materiali
- Plastica (non bachelite o catalina)
- Radiomuseum.org
- Modello: 8-C-5F CH= RC-1179A - RCA RCA Victor Co. Inc.; New
- Forma
- Soprammobile con orologio (radio-orologio, radiosveglia).
- Annotazioni
-
RCA VICTOR model 8-C-5F is an AC operated AM Receiver with electric clock.
- Letteratura / Schemi (1)
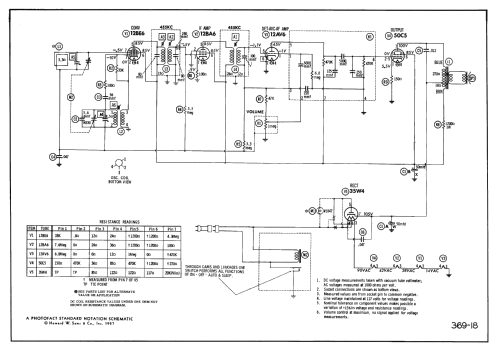
- Photofact Folder, Howard W. SAMS (Set 369 Folder 18 dated 9-57)
- Autore
- Modello inviato da Dirk Taekels. Utilizzare "Proponi modifica" per inviare ulteriori dati.
- Altri modelli
-
In questo link sono elencati 5179 modelli, di cui 3252 con immagini e 4216 con schemi.
Elenco delle radio e altri apparecchi della RCA (RCA Victor Co. Inc.); New York (NY)