8-C-5L Ch= RC-1179A
RCA (RCA Victor Co. Inc.); New York (NY)
- Pays
- Etats-Unis
- Fabricant / Marque
- RCA (RCA Victor Co. Inc.); New York (NY)
- Année
- 1957 ?
- Catégorie
- Radio - ou tuner d'après la guerre 1939-45
- Radiomuseum.org ID
- 313672
-
- alternative name: RCA Manufacturing || Victor Talking Machine
Cliquez sur la vignette du schéma pour le demander en tant que document gratuit.
- No. de tubes
- 5
- Principe général
- Super hétérodyne (en général); FI/IF 455 kHz
- Gammes d'ondes
- PO uniquement
- Tension / type courant
- Alimentation Courant Alternatif (CA) / 60 Hz, 117V = 105 -125 Volt
- Haut-parleur
- HP dynamique à aimant permanent + bobine mobile / Ø 4 inch = 10.2 cm
- Matière
- Plastique moderne (pas de bakélite, ni de catalin)
- De Radiomuseum.org
- Modèle: 8-C-5L Ch= RC-1179A - RCA RCA Victor Co. Inc.; New
- Forme
- Modèle de table avec réveil ou horloge
- Remarques
-
RCA VICTOR model 8-C-5L is an AC operated AM Receiver with electric clock.
- Schémathèque (1)
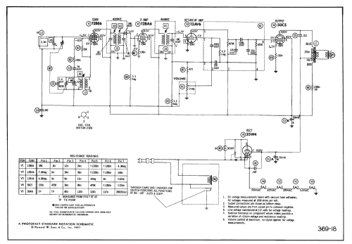
- Photofact Folder, Howard W. SAMS (Set 369 Folder 18 dated 9-57)
- Auteur
- Modèle crée par Dirk Taekels. Voir les propositions de modification pour les contributeurs supplémentaires.
- D'autres Modèles
-
Vous pourrez trouver sous ce lien 5180 modèles d'appareils, 3254 avec des images et 4217 avec des schémas.
Tous les appareils de RCA (RCA Victor Co. Inc.); New York (NY)