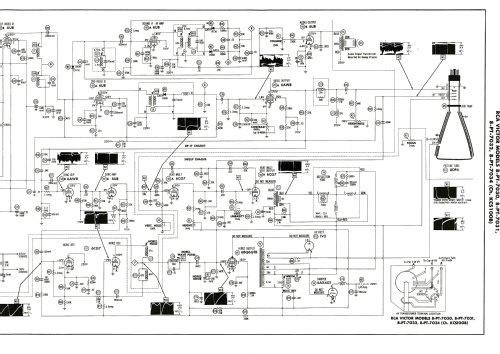
8PT7032 Ch= KCS100B
RCA (RCA Victor Co. Inc.); New York (NY)
- País
- Estados Unidos
- Fabricante / Marca
- RCA (RCA Victor Co. Inc.); New York (NY)
- Año
- 1956 ?
- Categoría
- Televisión (TV) o monitor
- Radiomuseum.org ID
- 97394
-
- alternative name: RCA Manufacturing || Victor Talking Machine
Haga clic en la miniatura esquemática para solicitarlo como documento gratuito.
- Numero de valvulas
- 11
- Principio principal
- Superheterodino con paso previo de RF
- Gama de ondas
- Bandas de recepción puestas en notas.
- Tensión de funcionamiento
- Red: Corriente alterna (CA, Inglés = AC) / 60 cycles, 110-120 Volt
- Altavoz
- Altavoz dinámico (de imán permanente) / Ø 3.5 inch = 8.9 cm
- Material
- Metálico
- de Radiomuseum.org
- Modelo: 8PT7032 Ch= KCS100B - RCA RCA Victor Co. Inc.; New
- Forma
- Sobremesa apaisado (tamaño grande).
- Anotaciones
-
RCA model 8PT7032 is a 8" portable TV with 12 channel US Band I/III Tuner, blue metal cabinet, built-in stand & 2 telescopic antennas, VHF- Tuner KRK55A, chassis KCS100B, 90 watts power consumption and picture tube 8DP4.
- Precio durante el primer año
- 125.00 $
- Procedencia de los datos
- -- Collector info (Sammler)
- Documentación / Esquemas (1)
- Photofact Folder, Howard W. SAMS (Set 336 Folder 14 date 11 - 56)
- Autor
- Modelo creado por un miembro de A. Ver en "Modificar Ficha" los participantes posteriores.
- Otros modelos
-
Donde encontrará 5180 modelos, 3254 con imágenes y 4217 con esquemas.
Ir al listado general de RCA (RCA Victor Co. Inc.); New York (NY)