8B46 Ch= RC-1069C
RCA (RCA Victor Co. Inc.); New York (NY)
- País
- Estados Unidos
- Fabricante / Marca
- RCA (RCA Victor Co. Inc.); New York (NY)
- Año
- 1949
- Categoría
- Radio - o Sintonizador pasado WW2
- Radiomuseum.org ID
- 53814
-
- alternative name: RCA Manufacturing || Victor Talking Machine
Haga clic en la miniatura esquemática para solicitarlo como documento gratuito.
- Numero de valvulas
- 4
- Principio principal
- Superheterodino en general; ZF/IF 455 kHz; 2 Etapas de AF
- Número de circuitos sintonía
- 6 Circuíto(s) AM
- Gama de ondas
- OM (onda media) solamente
- Tensión de funcionamiento
- Pilas / 67.5 & 1.5 Volt
- Altavoz
- Altavoz elíptico de imán permanente.
- Potencia de salida
- 0.05 W (unknown quality)
- Material
- Inyectado (se desconoce si bakelita o plástico).
- de Radiomuseum.org
- Modelo: 8B46 Ch= RC-1069C - RCA RCA Victor Co. Inc.; New
- Forma
- Portátil de bolsillo , menor de 20cm.
- Ancho, altura, profundidad
- 6.25 x 3.4 x 4.4 inch / 159 x 86 x 112 mm
- Anotaciones
- Color=Ivory
2" x 3" PM elliptical speaker
- Peso neto
- 1.7 kg / 3 lb 11.9 oz (3.744 lb)
- Ext. procedencia de los datos
- Ernst Erb
- Procedencia de los datos
- The Radio Collector's Directory and Price Guide 1921 - 1965
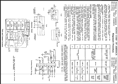
- Referencia esquema
- Rider's Perpetual, Volume 19 = 1949 and before
- Mencionado en
- Collector's Guide to Antique Radios 4. Edition
- Otros modelos
-
Donde encontrará 5179 modelos, 3252 con imágenes y 4216 con esquemas.
Ir al listado general de RCA (RCA Victor Co. Inc.); New York (NY)
Colecciones
El modelo 8B46 es parte de las colecciones de los siguientes miembros.