QU62 Ch= RC-602B
RCA (RCA Victor Co. Inc.); New York (NY)
- Produttore / Marca
- RCA (RCA Victor Co. Inc.); New York (NY)
- Anno
- 1946 ?

- Categoria
- Radio (o sintonizzatore del dopoguerra WW2)
- Radiomuseum.org ID
- 18891
-
- alternative name: RCA Manufacturing || Victor Talking Machine
Clicca sulla miniatura dello schema per richiederlo come documento gratuito.
- Numero di tubi
- 9
- Principio generale
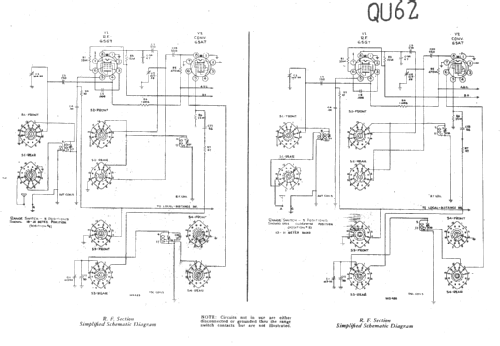
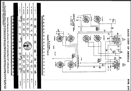
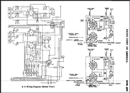
- Supereterodina con stadio RF; ZF/IF 455 kHz; 2 Stadi BF
- N. di circuiti accordati
- 7 Circuiti Mod. Amp. (AM)
- Gamme d'onda
- Onde medie (OM) e più di 2 gamme di onde corte (> 2 x OC).
- Particolarità
- Cambiadischi
- Tensioni di funzionamento
- Alimentazione a corrente alternata (CA) / 115; 125; 150; 210; 240 Volt
- Altoparlante
- 2 altoparlanti / Ø 12 inch = 30.5 cm
- Potenza d'uscita
- 10 W (qualità ignota)
- Materiali
- Mobile in legno
- Radiomuseum.org
- Modello: QU62 Ch= RC-602B - RCA RCA Victor Co. Inc.; New
- Forma
- Console, con gambe d'appoggio basse (< 50%).
- Dimensioni (LxAxP)
- 38.3 x 36 x 17 inch / 973 x 914 x 432 mm
- Annotazioni
-
2 speakers: one electrodynamic and the other permanent dynamic.
BC and 4xSW. See tube 6AT6 for the first possible year.
- Fonte esterna dei dati
- E. Erb 3-907007-36-0
- Fonte dei dati
- Rider's Perpetual, Volume 17 = covering 1947
- Riferimenti schemi
- Die «Thali Schemasammlung» führt das Modell.
- Altri modelli
-
In questo link sono elencati 5179 modelli, di cui 3252 con immagini e 4216 con schemi.
Elenco delle radio e altri apparecchi della RCA (RCA Victor Co. Inc.); New York (NY)