Don Juan 5A
Recta; Paris
- Paese
- Francia
- Produttore / Marca
- Recta; Paris
- Anno
- 1953
- Categoria
- Radio (o sintonizzatore del dopoguerra WW2)
- Radiomuseum.org ID
- 145166
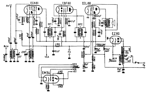
Clicca sulla miniatura dello schema per richiederlo come documento gratuito.
- Numero di tubi
- 5
- Principio generale
- Supereterodina (in generale); ZF/IF 455 kHz
- Gamme d'onda
- Onde medie (OM), lunghe (OL) e 2 onde corte (2 x OC).
- Tensioni di funzionamento
- Alimentazione a corrente alternata (CA) / 110 - 245 Volt
- Altoparlante
- AP magnetodinamico (magnete permanente e bobina mobile) / Ø 12 cm = 4.7 inch
- Materiali
- Mobile in legno
- Radiomuseum.org
- Modello: Don Juan 5A - Recta; Paris
- Forma
- Soprammobile compatto/con bordi arrotondati/midget senza pulsantiera/tastiera.<= 35 cm (Sometimes with handle but for mains only).
- Dimensioni (LxAxP)
- 310 x 190 x 150 mm / 12.2 x 7.5 x 5.9 inch
- Annotazioni
- Tubes Noval, 3 ébénisteries différentes, Ovaline sycomore, Ovaline acajou et Mazolinette macassar, mêmes coffrets que le Biarritz TC5 et le Monte-Carlo TC5. 2 OC dont une bande étalée.
- Letteratura / Schemi (1)
- Radio Constructeur et Dépanneur 1953
- Autore
- Modello inviato da Raynal Aufils. Utilizzare "Proponi modifica" per inviare ulteriori dati.
- Altri modelli
-
In questo link sono elencati 94 modelli, di cui 80 con immagini e 66 con schemi.
Elenco delle radio e altri apparecchi della Recta; Paris