Virtuose PP25
Recta; Paris
- Pays
- France
- Fabricant / Marque
- Recta; Paris
- Année
- 1957
- Catégorie
- Amplificateur BF ou mélangeur BF
- Radiomuseum.org ID
- 138393
Cliquez sur la vignette du schéma pour le demander en tant que document gratuit.
- No. de tubes
- 5
- Principe général
- Amplification audio
- Gammes d'ondes
- - sans
- Tension / type courant
- Alimentation Courant Alternatif (CA) / 110; 250 Volt
- Haut-parleur
- - Ce modèle nécessite des HP externes
- Puissance de sortie
- 25 W (qualité inconnue)
- Matière
- Boitier métallique
- De Radiomuseum.org
- Modèle: Virtuose PP25 - Recta; Paris
- Dimensions (LHP)
- 400 x 300 x 230 mm / 15.7 x 11.8 x 9.1 inch
- Remarques
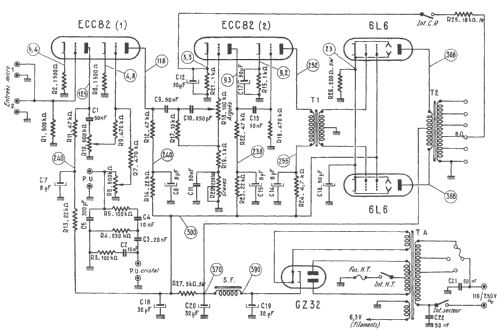
- Push-Pull de 6L6, impédances de sortie: 2,5; 5; 8; 16; 200 et 500 ohms, 2 entrées micro, 2 entrées P.U.
- Schémathèque (1)
- Radio constructeur et Dépanneur 1957
- Auteur
- Modèle crée par Raynal Aufils. Voir les propositions de modification pour les contributeurs supplémentaires.
- D'autres Modèles
-
Vous pourrez trouver sous ce lien 94 modèles d'appareils, 80 avec des images et 66 avec des schémas.
Tous les appareils de Recta; Paris