- Country
- United States of America (USA)
- Manufacturer / Brand
- Regal; New York (NY)
- Year
- 1953/1954 ?
- Category
- Broadcast Receiver - or past WW2 Tuner
- Radiomuseum.org ID
- 141388
-
- Brand: Ultradyne
Click on the schematic thumbnail to request the schematic as a free document.
- Number of Tubes
- 5
- Main principle
- Superheterodyne (common); ZF/IF 456 kHz; 2 AF stage(s)
- Tuned circuits
- 6 AM circuit(s)
- Wave bands
- Broadcast only (MW).
- Power type and voltage
- AC/DC-set / AC/DC 117=110-120 Volt
- Loudspeaker
- Permanent Magnet Dynamic (PDyn) Loudspeaker (moving coil) / Ø 4 inch = 10.2 cm
- Material
- Bakelite case
- from Radiomuseum.org
- Model: 271 - Regal; New York NY
- Shape
- Tablemodel without push buttons, Mantel/Midget/Compact up to 14
- Notes
-
The Regal Model 271 is an AC/DC Operated 5 Tube Superheterodyne Receiver. Is available in Walnut, Ebony and Ivory.
- Literature/Schematics (1)
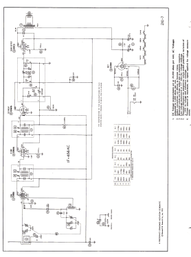
- Photofact Folder, Howard W. SAMS (Date 7-53, Set 210, Folder 7)
- Literature/Schematics (3)
- Shown for Season 1953/54 for 1954 in Regal Folder.
- Author
- Model page created by Egon Penker. See "Data change" for further contributors.
- Other Models
-
Here you find 121 models, 72 with images and 87 with schematics for wireless sets etc. In French: TSF for Télégraphie sans fil.
All listed radios etc. from Regal; New York (NY)