Monitoradio Crystal Controlled FM Receiver MRC-10
Regency (brand of I.D.E.A.)
- País
- Estados Unidos
- Fabricante / Marca
- Regency (brand of I.D.E.A.)
- Año
- 1957 ?
- Categoría
- Receptor profesional (puede incluir bandas de aficionados)
- Radiomuseum.org ID
- 213934
-
- alternative name: Idea (I.D.E.A.)
Haga clic en la miniatura esquemática para solicitarlo como documento gratuito.
- Numero de valvulas
- 9
- Principio principal
- Superheterodino en general; ZF/IF 10700 kHz
- Gama de ondas
- VHF/UHF (see notes for details)
- Tensión de funcionamiento
- Red: Corriente alterna (CA, Inglés = AC) / 60 Hz, 117V = 105 -125 Volt
- Altavoz
- Altavoz dinámico (de imán permanente) / Ø 5 inch = 12.7 cm
- Material
- Metálico
- de Radiomuseum.org
- Modelo: Monitoradio Crystal Controlled FM Receiver MRC-10 - Regency brand of I.D.E.A.
- Forma
- Sobremesa de cualquier forma, detalles no conocidos.
- Anotaciones
-
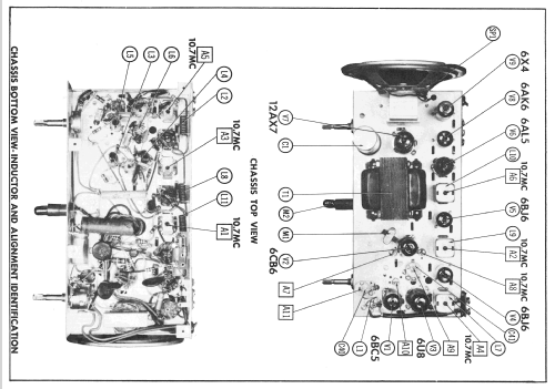
Monitoradio model MCR-10 is an AC operated single channel FM receiver.
- Mencionado en
- Photofact Folder, Howard W. SAMS (Set 367 Folder 7 dated 8-57)
- Autor
- Modelo creado por un miembro de A. Ver en "Modificar Ficha" los participantes posteriores.
- Otros modelos
-
Donde encontrará 68 modelos, 60 con imágenes y 32 con esquemas.
Ir al listado general de Regency (brand of I.D.E.A.)