- Country
- Germany
- Manufacturer / Brand
- REMA, Fabrik für Rundfunk, Elektrotechnik und Mechanik, Stollberg (Ostd.)
- Year
- 1982
- Category
- Broadcast Receiver - or past WW2 Tuner
- Radiomuseum.org ID
- 72614
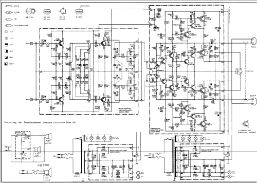
Click on the schematic thumbnail to request the schematic as a free document.
- Number of Transistors
- 32
- Semiconductors
- Main principle
- Superheterodyne (common); ZF/IF 455/10700 kHz
- Tuned circuits
- 7 AM circuit(s) 15 FM circuit(s)
- Wave bands
- Broadcast, Long Wave, Short Wave plus FM or UHF.
- Power type and voltage
- Alternating Current supply (AC) / 220 Volt
- Material
- Wooden case
- from Radiomuseum.org
- Model: Andante 744 - REMA, Fabrik für Rundfunk,
- Shape
- Tablemodel, with any shape - general.
- Dimensions (WHD)
- 610 x 175 x 220 mm / 24 x 6.9 x 8.7 inch
- Notes
-
Stereosteuergerät als Weiterentwicklung des Andante 830 in Si-Technik, Ausgangsleistung 2 x 6 Watt, Anschluss für TA/TB. Feldstärkeanzeige über Drehspulinstrument; dazugehörige Kompaktbox 6 Watt/6 Ohm. Weitere Gerätevariante ist der Andante 844 mit gleichem Aufbau, nur Ausgangasleistung 2 x 10 Watt durch geändete Endstufe mit dazugehörigen 2-Wege-Boxen (15 Watt/4 Ohm).
Gehäusevarianten: farbig, mattiert oder "Dehafol", mattiert.
- Price in first year of sale
- 1,140.00 Mark
- External source of data
- RFE Heft 5/83
- Source of data
- Radiokatalog Band 2, Ernst Erb
- Mentioned in
- Sortimentskatalog Elektroakustik (DDR, 1984)
- Author
- Model page created by Michael Seiffert. See "Data change" for further contributors.
- Other Models
-
Here you find 163 models, 137 with images and 123 with schematics for wireless sets etc. In French: TSF for Télégraphie sans fil.
All listed radios etc. from REMA, Fabrik für Rundfunk, Elektrotechnik und Mechanik, Stollberg (Ostd.)
Collections
The model Andante is part of the collections of the following members.
Forum contributions about this model: REMA, Fabrik für: Andante 744
Threads: 1 | Posts: 1
Der rechte Kanal war tot. Der C 708 hatte Schluß.
Egon Strampe, 04.Apr.11