- Country
- Germany
- Manufacturer / Brand
- REMA, Fabrik für Rundfunk, Elektrotechnik und Mechanik, Stollberg (Ostd.)
- Year
- 1952
- Category
- Broadcast Receiver - or past WW2 Tuner
- Radiomuseum.org ID
- 71387
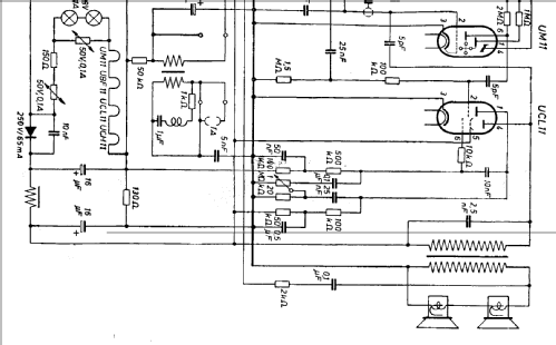
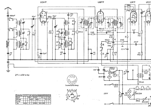
Click on the schematic thumbnail to request the schematic as a free document.
- Number of Tubes
- 4
- Main principle
- Superheterodyne (common); ZF/IF 468 kHz
- Tuned circuits
- 6 AM circuit(s)
- Wave bands
- Broadcast, Long Wave and Short Wave.
- Details
- Changer (Record changer)
- Power type and voltage
- Alternating Current supply (AC) / 220 Volt
- Loudspeaker
- Permanent Magnet Dynamic (PDyn) Loudspeaker (moving coil) / Ø 17 cm = 6.7 inch
- Power out
- 3.5 W (unknown quality)
- Material
- Wooden case
- from Radiomuseum.org
- Model: Harmonie 6124W - REMA, Fabrik für Rundfunk,
- Shape
- Tablemodel, low profile (big size).
- Dimensions (WHD)
- 645 x 400 x 400 mm / 25.4 x 15.7 x 15.7 inch
- Notes
-
Mit 10-fach Plattenwechsler Dynamos D1003
- Net weight (2.2 lb = 1 kg)
- 25 kg / 55 lb 1.1 oz (55.066 lb)
- Source of data
- Radiokatalog Band 2, Ernst Erb
- Mentioned in
- Funk-Technik (FT) (6/52)
- Author
- Model page created by Michael Seiffert. See "Data change" for further contributors.
- Other Models
-
Here you find 163 models, 137 with images and 123 with schematics for wireless sets etc. In French: TSF for Télégraphie sans fil.
All listed radios etc. from REMA, Fabrik für Rundfunk, Elektrotechnik und Mechanik, Stollberg (Ostd.)
Collections
The model Harmonie is part of the collections of the following members.
Forum contributions about this model: REMA, Fabrik für: Harmonie 6124W
Threads: 1 | Posts: 1
Antrieb ist ein Einphasenmotor mit Hilfswicklung über Kondensator 0,33 Mikrofarad. Dieser ist zur Funktion zwingend erforderlich!
Spannungsfestigkeit beachten !!!
Bei allen Reparaturarbeiten an der Mechanik unbedingt die Stellung der Zahnräder u.ä.zueinander markieren, sonst kommen die autom. Abläufe schön durcheinander : (
Insgesamt ist die Wiedergabe der Schellackplatten klanglich sehr gut, kräftig und detailreich .
Uwe Pöschmann, 08.Aug.18