Strad "Cliveden" RMG73
R.M.Electric, Durham
- Country
- Great Britain (UK)
- Manufacturer / Brand
- R.M.Electric, Durham
- Year
- 1957 ?
- Category
- Broadcast Receiver - or past WW2 Tuner
- Radiomuseum.org ID
- 146884
-
- Brand: Strad
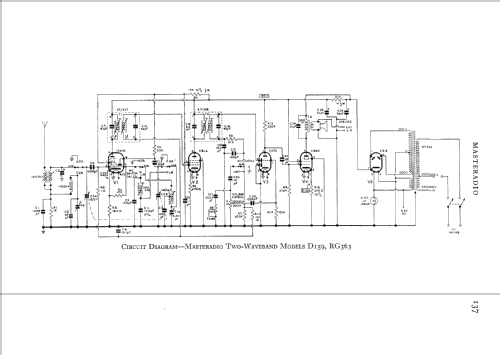
Click on the schematic thumbnail to request the schematic as a free document.
- Number of Tubes
- 5
- Main principle
- Superheterodyne (common); ZF/IF 470 kHz; 2 AF stage(s)
- Tuned circuits
- 6 AM circuit(s)
- Wave bands
- Broadcast (MW) and Long Wave.
- Power type and voltage
- Alternating Current supply (AC) / 200-250 Volt
- Loudspeaker
- Permanent Magnet Dynamic (PDyn) Loudspeaker (moving coil)
- from Radiomuseum.org
- Model: Strad "Cliveden" RMG73 - R.M.Electric, Durham
- Notes
- Similar chassis as the Masteradio model RG363.
- Source of data
- -- Schematic
- Circuit diagram reference
- Radio and TV Servicing books (R&TVS) book
- Author
- Model page created by Keith Staines. See "Data change" for further contributors.
- Other Models
-
Here you find 19 models, 11 with images and 12 with schematics for wireless sets etc. In French: TSF for Télégraphie sans fil.
All listed radios etc. from R.M.Electric, Durham