Strad "The Stirling" RMR71
R.M.Electric, Durham
- País
- Gran Bretaña (GB)
- Fabricante / Marca
- R.M.Electric, Durham
- Año
- 1957 ?
- Categoría
- Radio - o Sintonizador pasado WW2
- Radiomuseum.org ID
- 146886
-
- Brand: Strad
Haga clic en la miniatura esquemática para solicitarlo como documento gratuito.
- Numero de valvulas
- 5
- Principio principal
- Superheterodino en general; ZF/IF 470 kHz; 2 Etapas de AF
- Número de circuitos sintonía
- 6 Circuíto(s) AM
- Gama de ondas
- OM y OL
- Tensión de funcionamiento
- Red: Corriente alterna (CA, Inglés = AC) / 200-250 Volt
- Altavoz
- Altavoz dinámico (de imán permanente)
- de Radiomuseum.org
- Modelo: Strad "The Stirling" RMR71 - R.M.Electric, Durham
- Anotaciones
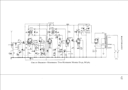
- Similar chassis as the Masteradio model D159.
- Procedencia de los datos
- -- Schematic
- Referencia esquema
- Radio and TV Servicing books (R&TVS) book
- Autor
- Modelo creado por Keith Staines. Ver en "Modificar Ficha" los participantes posteriores.
- Otros modelos
-
Donde encontrará 19 modelos, 11 con imágenes y 12 con esquemas.
Ir al listado general de R.M.Electric, Durham