- Country
- Germany
- Manufacturer / Brand
- Robotron-Elektronik Zella-Mehlis, VEB; Zella-Mehlis /Thür. (Ostd.)
- Year
- 1972 ?
- Category
- Broadcast Receiver - or past WW2 Tuner
- Radiomuseum.org ID
- 113904
-
- Brand: Rechenelektr. Meining./ Zella
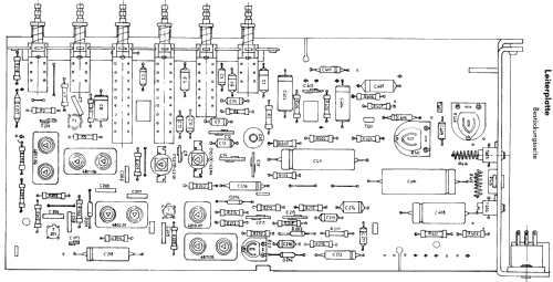
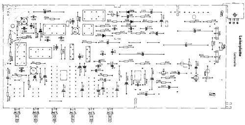
Click on the schematic thumbnail to request the schematic as a free document.
- Number of Transistors
- 9
- Semiconductors
- Main principle
- Superheterodyne (common)
- Wave bands
- Broadcast, Long Wave, Short Wave plus FM or UHF.
- Power type and voltage
- Alternating Current supply (AC) / 220 Volt
- Loudspeaker
- Permanent Magnet Dynamic (PDyn) Loudspeaker (moving coil)
- from Radiomuseum.org
- Model: Prominent 204 - Robotron-Elektronik Zella-
- Shape
- Tablemodel with Push Buttons.
- Notes
- Der Schaltplan ist für die Modellreihe Prominent 200, 201, 202, 203, 204 und 205 gültig. Verschiedene Gehäuseausfuhrungen.
- Literature/Schematics (1)
- -- Schematic
- Author
- Model page created by Arpad Roth † 27.3.17. See "Data change" for further contributors.
- Other Models
-
Here you find 22 models, 14 with images and 18 with schematics for wireless sets etc. In French: TSF for Télégraphie sans fil.
All listed radios etc. from Robotron-Elektronik Zella-Mehlis, VEB; Zella-Mehlis /Thür. (Ostd.)