Majestic 4153X Ch= 10MA514
Rogers-Majestic, Standard Radio Manufacturing, Rogers Radio Tubes; Toronto
- Pays
- Canada
- Fabricant / Marque
- Rogers-Majestic, Standard Radio Manufacturing, Rogers Radio Tubes; Toronto
- Année
- 1940/1941
- Catégorie
- Radio - ou tuner d'après la guerre 1939-45
- Radiomuseum.org ID
- 175439
-
- alternative name: Rogers Radio Tube
Cliquez sur la vignette du schéma pour le demander en tant que document gratuit.
- No. de tubes
- 5
- Principe général
- Super hétérodyne (en général); FI/IF 456 kHz; 2 Etage(s) BF
- Circuits accordés
- 6 Circuits MA (AM)
- Gammes d'ondes
- PO uniquement
- Tension / type courant
- Alimentation Courant Alternatif (CA) / 117 Volt
- Haut-parleur
- HP dynamique à électro-aimant (électrodynamique) / Ø 5.5 inch = 14 cm
- Matière
- Boitier en bois
- De Radiomuseum.org
- Modèle: Majestic 4153X Ch= 10MA514 - Rogers-Majestic, Standard
- Forme
- Modèle de table profil bas (grand modèle).
- Dimensions (LHP)
- 16.5 x 9.25 x 7.75 inch / 419 x 235 x 197 mm
- Remarques
-
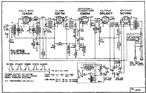
This set is electrically identical to the Rogers 15/53X, Rogers 15/53A, Majestic 4153A, De Forest X35/41 and A35/41.
- Source du schéma
- Radio College of Canada
- Littérature
- RCC Rogers-Majestic section, pages 77, 78 & Cross-Reference
- Schémathèque (3)
- The Majestic Folder MIGD11 for 1941.
- Auteur
- Modèle crée par Robin Roeckers. Voir les propositions de modification pour les contributeurs supplémentaires.
- D'autres Modèles
-
Vous pourrez trouver sous ce lien 555 modèles d'appareils, 235 avec des images et 506 avec des schémas.
Tous les appareils de Rogers-Majestic, Standard Radio Manufacturing, Rogers Radio Tubes; Toronto