Majestic 956 Ch= 9M522
Rogers-Majestic, Standard Radio Manufacturing, Rogers Radio Tubes; Toronto
- Paese
- Canada
- Produttore / Marca
- Rogers-Majestic, Standard Radio Manufacturing, Rogers Radio Tubes; Toronto
- Anno
- 1939/1940
- Categoria
- Radio (o sintonizzatore del dopoguerra WW2)
- Radiomuseum.org ID
- 168655
-
- alternative name: Rogers Radio Tube
Clicca sulla miniatura dello schema per richiederlo come documento gratuito.
- Numero di tubi
- 5
- Principio generale
- Supereterodina (in generale); ZF/IF 456 kHz; 2 Stadi BF
- N. di circuiti accordati
- 6 Circuiti Mod. Amp. (AM)
- Gamme d'onda
- Onde medie (OM) e corte (OC).
- Tensioni di funzionamento
- Alimentazione a corrente alternata (CA) / 117 Volt
- Altoparlante
- AP elettrodinamico (bobina mobile e bobina di eccitazione/di campo)
- Radiomuseum.org
- Modello: Majestic 956 Ch= 9M522 - Rogers-Majestic, Standard
- Annotazioni
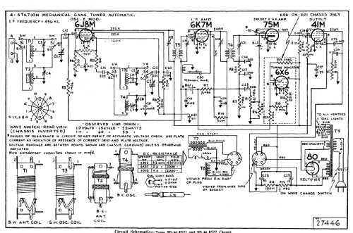
- This set is electrically identical to the Rogers 14/54, 14/56, Majestic 954, De Forest Commodore and Savoy. It is also electrically identical to the Rogers 14/66, Majestic 966 and De Forest Ambassador which have a 6X6 tuning indicator tube.
- Riferimenti schemi
- Radio College of Canada
- Bibliografia
- RCC Rogers-Majestic section, pages 57 & Cross-Reference
- Autore
- Modello inviato da Robin Roeckers. Utilizzare "Proponi modifica" per inviare ulteriori dati.
- Altri modelli
-
In questo link sono elencati 555 modelli, di cui 235 con immagini e 506 con schemi.
Elenco delle radio e altri apparecchi della Rogers-Majestic, Standard Radio Manufacturing, Rogers Radio Tubes; Toronto