Rogers 15/81A Ch= 10RB861
Rogers-Majestic, Standard Radio Manufacturing, Rogers Radio Tubes; Toronto
- Country
- Canada
- Manufacturer / Brand
- Rogers-Majestic, Standard Radio Manufacturing, Rogers Radio Tubes; Toronto
- Year
- 1941/1942 ?
- Category
- Broadcast Receiver - or past WW2 Tuner
- Radiomuseum.org ID
- 299813
-
- alternative name: Rogers Radio Tube
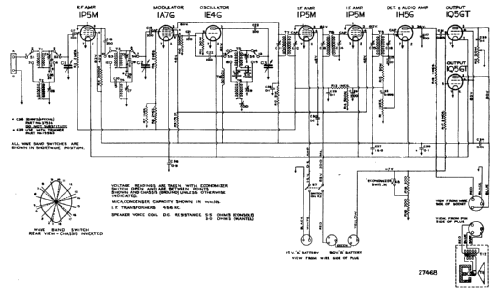
Click on the schematic thumbnail to request the schematic as a free document.
- Number of Tubes
- 8
- Main principle
- Superhet with RF-stage; ZF/IF 456 kHz; 2 AF stage(s)
- Tuned circuits
- 9 AM circuit(s)
- Wave bands
- Broadcast and Short Wave (SW).
- Power type and voltage
- Dry Batteries / 1.5 & 2 x 45 Volt
- Loudspeaker
- Permanent Magnet Dynamic (PDyn) Loudspeaker (moving coil)
- from Radiomuseum.org
- Model: Rogers 15/81A Ch= 10RB861 - Rogers-Majestic, Standard
- Notes
-
The Rogers model 15/81A is an 8-tube battery powered radio for BC and shortwave reception. Push-pull output amplifier. Same schematic as the Majestic 4181A and the Deforest A18/41.
- Literature/Schematics (1)
- - - Manufacturers Literature (Rogers service manual Vol 3 P. 159)
- Author
- Model page created by Tom Seeger. See "Data change" for further contributors.
- Other Models
-
Here you find 555 models, 235 with images and 506 with schematics for wireless sets etc. In French: TSF for Télégraphie sans fil.
All listed radios etc. from Rogers-Majestic, Standard Radio Manufacturing, Rogers Radio Tubes; Toronto