Rogers 640 Ch= 741
Rogers-Majestic, Standard Radio Manufacturing, Rogers Radio Tubes; Toronto
- País
- Canada
- Fabricante / Marca
- Rogers-Majestic, Standard Radio Manufacturing, Rogers Radio Tubes; Toronto
- Año
- 1930/1931
- Categoría
- Radio - o Sintonizador pasado WW2
- Radiomuseum.org ID
- 156752
-
- alternative name: Rogers Radio Tube
Haga clic en la miniatura esquemática para solicitarlo como documento gratuito.
- Numero de valvulas
- 7
- Principio principal
- RFS (Radio Frecuencia Sintonizada) en general; 2 Etapas de AF
- Número de circuitos sintonía
- 4 Circuíto(s) AM
- Gama de ondas
- OM (onda media) solamente
- Tensión de funcionamiento
- Red: Corriente alterna (CA, Inglés = AC) / 115 Volt
- Altavoz
- Altavoz electrodinámico (bobina de campo)
- Material
- Madera
- de Radiomuseum.org
- Modelo: Rogers 640 Ch= 741 - Rogers-Majestic, Standard
- Forma
- Consola baja, patas más cortas del 50%.
- Anotaciones
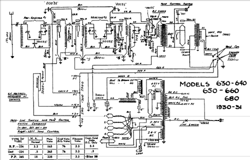
- The line switch and tone control were combined: off/on was in/out and tone was right/left. This set had the capability to preset stations. A push-pull audio output circuit is incorporated into this set. Rogers 620, 650, 660 and 680 are electronically identical to this model.
- Precio durante el primer año
- 230.00 $
- Referencia esquema
- Radio College of Canada
- Mencionado en
- RCC Rogers section page 8
- Documentación / Esquemas (1)
- Advert in "The Border Cities Star", 11. Sept. 1930
- Autor
- Modelo creado por Robin Roeckers. Ver en "Modificar Ficha" los participantes posteriores.
- Otros modelos
-
Donde encontrará 555 modelos, 235 con imágenes y 506 con esquemas.
Ir al listado general de Rogers-Majestic, Standard Radio Manufacturing, Rogers Radio Tubes; Toronto