- Produttore / Marca
- Roland Radio Corporation; Mount Vernon (NY)
- Anno
- 1953 ?
- Categoria
- Radio (o sintonizzatore del dopoguerra WW2)
- Radiomuseum.org ID
- 348852
Clicca sulla miniatura dello schema per richiederlo come documento gratuito.
- Numero di tubi
- 5
- Principio generale
- Supereterodina (in generale); ZF/IF 455 kHz; 2 Stadi BF
- N. di circuiti accordati
- 6 Circuiti Mod. Amp. (AM)
- Gamme d'onda
- Solo onde medie (OM).
- Tensioni di funzionamento
- Alimentazione universale (doppia: CC/CA) / AC/DC 117=105-125 Volt
- Altoparlante
- AP magnetodinamico (magnete permanente e bobina mobile) / Ø 5 inch = 12.7 cm
- Materiali
- Plastica o bachelite
- Radiomuseum.org
- Modello: 5T2M - Roland Radio Corporation;
- Forma
- Soprammobile con qualsiasi forma (non saputo).
- Annotazioni
-
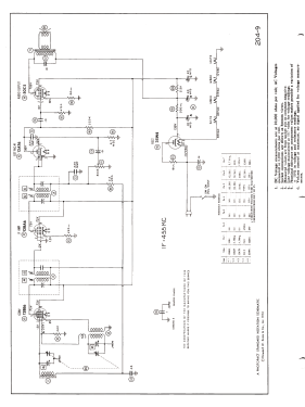
Tuning range - Broadcast 540-1620 KC. Rating .23 Amp. @ 117 Volts AC
Roland model 5T2M is an AC-DC operated AM superheterodyne receiver.
- Letteratura / Schemi (1)
- Photofact Folder, Howard W. SAMS (Set 204, Folder 9, May 1953.)
- Letteratura / Schemi (2)
- The Radio Collector's Directory and Price Guide 1921 - 1965 (1995, page 363.)
- Autore
- Modello inviato da Rene Chenier. Utilizzare "Proponi modifica" per inviare ulteriori dati.
- Altri modelli
-
In questo link sono elencati 70 modelli, di cui 60 con immagini e 64 con schemi.
Elenco delle radio e altri apparecchi della Roland Radio Corporation; Mount Vernon (NY)