4 Band Radio Cassette Portable RCP 640
SABA; Villingen
- Pays
- Allemagne
- Fabricant / Marque
- SABA; Villingen
- Année
- 1985
- Catégorie
- Radio - ou tuner d'après la guerre 1939-45
- Radiomuseum.org ID
- 285295
-
- Brand: Schwer & Söhne, GmbH
Cliquez sur la vignette du schéma pour le demander en tant que document gratuit.
- No. de transistors
- 30
- Semi-conducteurs
- Principe général
- Super hétérodyne (en général); FI/IF 455/10700 kHz
- Gammes d'ondes
- PO, GO, OC et FM
- Particularités
- Magnétophone à cassettes
- Tension / type courant
- Secteur et prise alimentation séparée (piles / accu) / 220 / 8 x 1,5 / 12 Volt
- Haut-parleur
- 4 HP
- Puissance de sortie
- 40 W (max.)
- Matière
- Plastique moderne (pas de bakélite, ni de catalin)
- De Radiomuseum.org
- Modèle: 4 Band Radio Cassette Portable RCP 640 - SABA; Villingen
- Forme
- Portative > 20 cm (sans nécessité secteur)
- Dimensions (LHP)
- 510 x 240 x 150 mm / 20.1 x 9.4 x 5.9 inch
- Remarques
-
Anschlüsse für Stereo-Kopfhörer, Tonbandgerät, Cassetten-Recorder und
Plattenspieler ( magn.), Stromversorgung DC 12V möglich.
See also Thomson Española, S.A. RK-2407
- Poids net
- 5 kg / 11 lb 0.2 oz (11.013 lb)
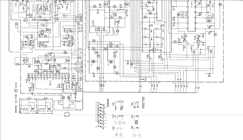
- Schémathèque (1)
- -- Original-techn. papers.
- Auteur
- Modèle crée par Richard Winter. Voir les propositions de modification pour les contributeurs supplémentaires.
- D'autres Modèles
-
Vous pourrez trouver sous ce lien 1652 modèles d'appareils, 1510 avec des images et 1191 avec des schémas.
Tous les appareils de SABA; Villingen