- Land
- Japan
- Hersteller / Marke
- Sanyo Electric Co. Ltd.; Moriguchi (Osaka)
- Jahr
- 1965 ??
- Kategorie
- Autoradio, evtl. kombiniert mit Tonspeichergerät
- Radiomuseum.org ID
- 171481
Klicken Sie auf den Schaltplanausschnitt, um diesen kostenlos als Dokument anzufordern.
- Anzahl Transistoren
- 12
- Hauptprinzip
- Superhet allgemein; ZF/IF 455/10700 kHz
- Wellenbereiche
- Mittelwelle und UKW (FM).
- Betriebsart / Volt
- AKKU-Speisung (für alles, z.B. bei Autoradios und Amateurgeräten) / 6; 12 Volt
- Lautsprecher
- - Dieses Modell benötigt externe(n) Lautsprecher.
- Belastbarkeit / Leistung
- 6 W (Qualität unbekannt)
- Material
- Metallausführung
- von Radiomuseum.org
- Modell: F-8564V - Sanyo Electric Co. Ltd.;
- Form
- Chassis - Einbaugerät
- Abmessungen (BHT)
- 146 x 45 x 140 mm / 5.7 x 1.8 x 5.5 inch
- Bemerkung
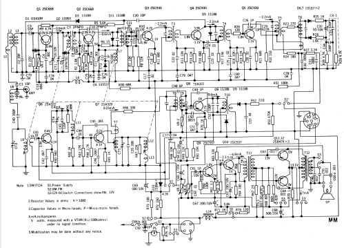
- 12 transistor plus 11 diodes superheterodyne with a respective RF amplifier for FM and AM.
Frequency range:
FM: 87,5 ÷ 108 MHz.
AM: 540 ÷ 1605 kHZ.
- Nettogewicht
- 1 kg / 2 lb 3.2 oz (2.203 lb)
- Literatur/Schema (1)
- -- Schematic (Schemario di Apparecchi a Transistori Vol. 14° R. Rosati)
- Autor
- Modellseite von Eduard Abfalterer angelegt. Siehe bei "Änderungsvorschlag" für weitere Mitarbeit.
- Weitere Modelle
-
Hier finden Sie 1797 Modelle, davon 1629 mit Bildern und 493 mit Schaltbildern.
Alle gelisteten Radios usw. von Sanyo Electric Co. Ltd.; Moriguchi (Osaka)