- Land
- Japan
- Hersteller / Marke
- Sanyo Electric Co. Ltd.; Moriguchi (Osaka)
- Jahr
- 1980 ??
- Kategorie
- Autoradio, evtl. kombiniert mit Tonspeichergerät
- Radiomuseum.org ID
- 92687
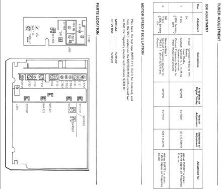
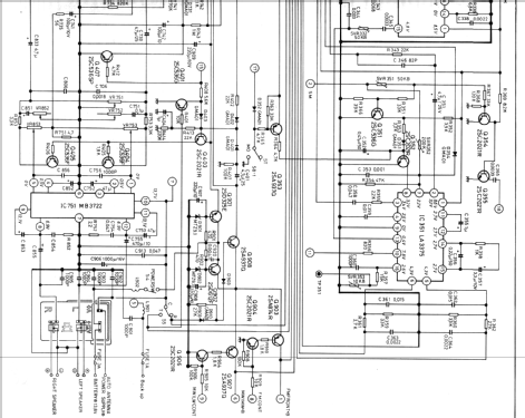
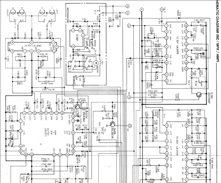
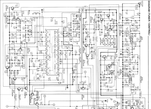
Klicken Sie auf den Schaltplanausschnitt, um diesen kostenlos als Dokument anzufordern.
- Anzahl Transistoren
- 57
- Halbleiter
- Hauptprinzip
- Superhet allgemein
- Anzahl Kreise
- 8 Kreis(e) AM 9 Kreis(e) FM
- Wellenbereiche
- Langwelle, Mittelwelle und UKW (FM).
- Spezialitäten
- Kassetten-Recorder oder -Spieler
- Betriebsart / Volt
- AKKU-Speisung (für alles, z.B. bei Autoradios und Amateurgeräten) / 12 Volt
- Lautsprecher
- - Dieses Modell benötigt externe(n) Lautsprecher.
- Material
- Metallausführung
- von Radiomuseum.org
- Modell: FT-2500LV - Sanyo Electric Co. Ltd.;
- Form
- Chassis - Einbaugerät
- Bemerkung
- ICs: LA1140, LA1135, µPB553, µPD1704, LA2205, LA2110, LA3375, LA2211.
- Literatur/Schema (1)
- -- Original-techn. papers.
- Autor
- Modellseite von Bernd Pötzsch angelegt. Siehe bei "Änderungsvorschlag" für weitere Mitarbeit.
- Weitere Modelle
-
Hier finden Sie 1801 Modelle, davon 1633 mit Bildern und 494 mit Schaltbildern.
Alle gelisteten Radios usw. von Sanyo Electric Co. Ltd.; Moriguchi (Osaka)