- Country
- Japan
- Manufacturer / Brand
- Sanyo Electric Co. Ltd.; Moriguchi (Osaka)
- Year
- 1972/1973
- Category
- Broadcast Receiver - or past WW2 Tuner
- Radiomuseum.org ID
- 88605
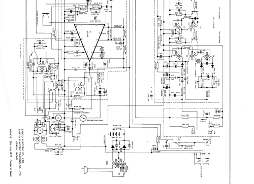
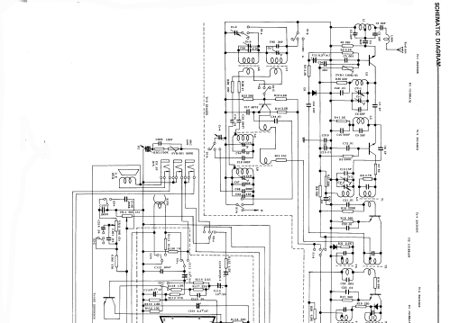
Click on the schematic thumbnail to request the schematic as a free document.
- Number of Transistors
- 7
- Semiconductors
- Main principle
- Superheterodyne (common); ZF/IF 455 kHz
- Tuned circuits
- 8 AM circuit(s) 12 FM circuit(s)
- Wave bands
- Broadcast, Long Wave and FM or UHF.
- Details
- Cassette-Recorder or -Player
- Power type and voltage
- Line / Batteries (any type) / 110-240; 6 Volt
- Loudspeaker
- Permanent Magnet Dynamic (PDyn) Loudspeaker (moving coil) / Ø 7.5 cm = 3 inch
- Power out
- 1 W (unknown quality)
- from Radiomuseum.org
- Model: GI602FL - Sanyo Electric Co. Ltd.;
- Shape
- Portable set > 8 inch (also usable without mains)
- Dimensions (WHD)
- 310 x 250 x 100 mm / 12.2 x 9.8 x 3.9 inch
- Notes
- ICs: 1.
- Net weight (2.2 lb = 1 kg)
- 3 kg / 6 lb 9.7 oz (6.608 lb)
- Source of data
- -- Collector info (Sammler)
- Author
- Model page created by Josef Pilz. See "Data change" for further contributors.
- Other Models
-
Here you find 1801 models, 1633 with images and 494 with schematics for wireless sets etc. In French: TSF for Télégraphie sans fil.
All listed radios etc. from Sanyo Electric Co. Ltd.; Moriguchi (Osaka)