MW-SW-LW-FM Portable Radio Cassette Recorder M-2415L
Sanyo Electric Co. Ltd.; Moriguchi (Osaka)
- Country
- Japan
- Manufacturer / Brand
- Sanyo Electric Co. Ltd.; Moriguchi (Osaka)
- Year
- 1972 ?
- Category
- Broadcast Receiver - or past WW2 Tuner
- Radiomuseum.org ID
- 238396
Click on the schematic thumbnail to request the schematic as a free document.
- Number of Transistors
- 16
- Semiconductors
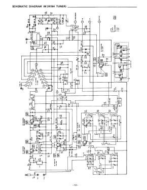
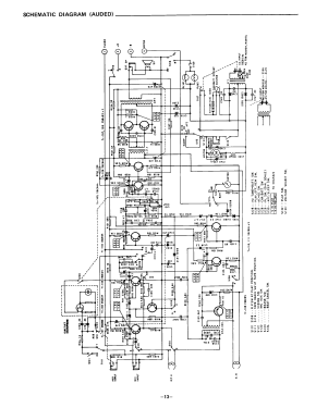
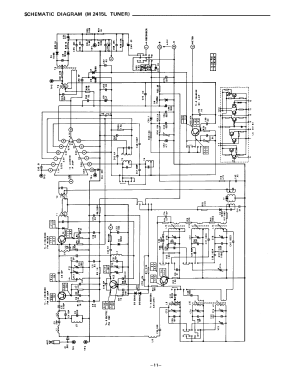
- 2SC930 2SC930 2SC772 2SC929 2SA628 2SC858 2SD327 2SC945 2SC945 2SC945 2SC945 2SC537 or. 2SC644 2SC945 2SB492 2SB492 2SB185 LA1201 DS442 1S188 1S553 1S330 10DC-1
- Main principle
- Superheterodyne (common); ZF/IF 460/10700 kHz; 3 AF stage(s)
- Wave bands
- Broadcast, Long Wave, Short Wave plus FM or UHF.
- Details
- Cassette-Recorder or -Player
- Power type and voltage
- Line plus power jack, mostly with battery or storage battery / 120; 200; 240 / 6 V / D: 4 x 1.5 Volt
- Loudspeaker
- Permanent Magnet Dynamic (PDyn) Loudspeaker (moving coil) / Ø 4.75 inch = 12.1 cm
- Power out
- 2.5 W (max.)
- Material
- Plastics (no bakelite or catalin)
- from Radiomuseum.org
- Model: MW-SW-LW-FM Portable Radio Cassette Recorder M-2415L - Sanyo Electric Co. Ltd.;
- Shape
- Portable set > 8 inch (also usable without mains)
- Dimensions (WHD)
- 345 x 213 x 86 mm / 13.6 x 8.4 x 3.4 inch
- Notes
-
Ext. speaker, aux, mic. & rem., 10 W power consumption.
- Net weight (2.2 lb = 1 kg)
- 7.2 lb (7 lb 3.2 oz) / 3.269 kg
- Literature/Schematics (1)
- -- Original-techn. papers.
- Author
- Model page created by Sándor Selyem-Tóth. See "Data change" for further contributors.
- Other Models
-
Here you find 1801 models, 1633 with images and 495 with schematics for wireless sets etc. In French: TSF for Télégraphie sans fil.
All listed radios etc. from Sanyo Electric Co. Ltd.; Moriguchi (Osaka)