Radio Cassette Recorder M1700H 3 Band
Sanyo Electric Co. Ltd.; Moriguchi (Osaka)
- Pays
- Japon
- Fabricant / Marque
- Sanyo Electric Co. Ltd.; Moriguchi (Osaka)
- Année
- 1979 ?
- Catégorie
- Radio - ou tuner d'après la guerre 1939-45
- Radiomuseum.org ID
- 364242
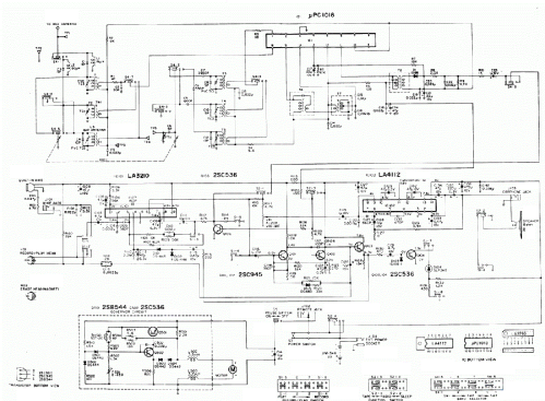
Cliquez sur la vignette du schéma pour le demander en tant que document gratuit.
- No. de transistors
- Semi-conducteurs présents
- Semi-conducteurs
- Principe général
- Super hétérodyne (en général)
- Gammes d'ondes
- PO et 2 x OC
- Particularités
- Magnétophone à cassettes
- Tension / type courant
- Batteries / Alim. BT séparée avec fiche / DC:9 / AA: 6 x 1.5 Volt
- Haut-parleur
- HP dynamique à aimant permanent + bobine mobile / Ø 6.6 cm = 2.6 inch
- Matière
- Plastique moderne (pas de bakélite, ni de catalin)
- De Radiomuseum.org
- Modèle: Radio Cassette Recorder M1700H [3 Band] - Sanyo Electric Co. Ltd.;
- Forme
- Portative > 20 cm (sans nécessité secteur)
- Dimensions (LHP)
- 235 x 125 x 56 mm / 9.3 x 4.9 x 2.2 inch
- Remarques
-
Sanyo M1700H Radio Cassette Recorder
3-band portable radio-cassette-recorder with counter, Auto-Stop, Sleep, Pause, condenser mic, 2-way LED indicator
Frequency Ranges:
- MW: 525-1605 kHz
- SW1: 2.3-7.3 MHz
- SW2: 7.3-23 MHz
See also Sanyo M1700F and Sanyo M1700FZ AM/FM variants.
- Auteur
- Modèle crée par Brian Stevens. Voir les propositions de modification pour les contributeurs supplémentaires.
- D'autres Modèles
-
Vous pourrez trouver sous ce lien 1801 modèles d'appareils, 1633 avec des images et 495 avec des schémas.
Tous les appareils de Sanyo Electric Co. Ltd.; Moriguchi (Osaka)