• Año
  • 1967 ??
  • Categoría
  • Radio - o Sintonizador pasado WW2
  • Radiomuseum.org ID
  • 163773

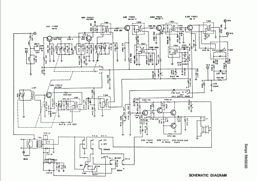
Haga clic en la miniatura esquemática para solicitarlo como documento gratuito.

 Especificaciones técnicas

  • Numero de transistores
  • 10
  • Principio principal
  • Superheterodino en general
  • Gama de ondas
  • OM y FM
  • Tensión de funcionamiento
  • Red: Corriente alterna (CA, Inglés = AC)
  • Altavoz
  • Altavoz dinámico (de imán permanente) / Ø 9.2 cm = 3.6 inch
  • de Radiomuseum.org
  • Modelo: RM5030 - Sanyo Electric Co. Ltd.;
  • Forma
  • Sobremesa con reloj o Radio despertador.
  • Anotaciones
  • Diodes: 6 x 1S188; DS442; 2 x MV-2; DS17; 2 x 1N4001.
  • Procedencia de los datos
  • -- Schematic
  • Autor
  • Modelo creado por Antonio Martins-Pais. Ver en "Modificar Ficha" los participantes posteriores.

 Colecciones | Museos | Literatura

 Forum