Silvertone 6092 Ch= 101.672-1B
Sears, Roebuck & Co.; Chicago (IL)
- Country
- United States of America (USA)
- Manufacturer / Brand
- Sears, Roebuck & Co.; Chicago (IL)
- Year
- 1946 ?
- Category
- Broadcast Receiver - or past WW2 Tuner
- Radiomuseum.org ID
- 56631
-
- Brand: Silvertone
Click on the schematic thumbnail to request the schematic as a free document.
- Number of Tubes
- 8
- Main principle
- Superheterodyne (common); ZF/IF 455 kHz; 2 AF stage(s)
- Tuned circuits
- 6 AM circuit(s)
- Wave bands
- Broadcast and Short Wave (SW).
- Power type and voltage
- Alternating Current supply (AC) / 105 - 125 Volt
- Loudspeaker
- Electro Magnetic Dynamic LS (moving-coil with field excitation coil) / Ø 9.5 inch = 24.1 cm
- Material
- Wooden case
- from Radiomuseum.org
- Model: Silvertone 6092 Ch= 101.672-1B - Sears, Roebuck & Co.; Chicago
- Shape
- Console with any shape - in general
- External source of data
- Ernst Erb
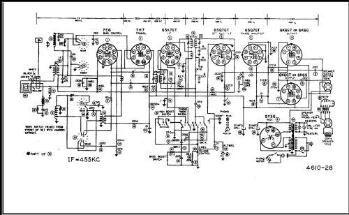
- Circuit diagram reference
- Rider's Perpetual, Volume 15 = 1947 and before
- Literature/Schematics (1)
- Photofact Folder, Howard W. SAMS (Dat 12-46, set 10, folder 4610-28)
- Other Models
-
Here you find 5533 models, 3235 with images and 4241 with schematics for wireless sets etc. In French: TSF for Télégraphie sans fil.
All listed radios etc. from Sears, Roebuck & Co.; Chicago (IL)