Silvertone 2060 Ch= 101.861, -1
Sears, Roebuck & Co.; Chicago (IL)
- Pays
- Etats-Unis
- Fabricant / Marque
- Sears, Roebuck & Co.; Chicago (IL)
- Année
- 1953 ?
- Catégorie
- Radio - ou tuner d'après la guerre 1939-45
- Radiomuseum.org ID
- 56125
-
- Brand: Silvertone
Cliquez sur la vignette du schéma pour le demander en tant que document gratuit.
- No. de tubes
- 8
- Principe général
- Super hétérodyne avec étage HF; FI/IF 455 kHz; 2 Etage(s) BF
- Circuits accordés
- 7 Circuits MA (AM)
- Gammes d'ondes
- PO uniquement
- Particularités
- Tourne disque avec changeur
- Tension / type courant
- Alimentation Courant Alternatif (CA) / 60 Hz, 117V = 110 -120 Volt
- Haut-parleur
- HP dynamique à aimant permanent + bobine mobile / Ø 10 inch = 25.4 cm
- Puissance de sortie
- 2.4 W (qualité inconnue)
- Matière
- Boitier en bois
- De Radiomuseum.org
- Modèle: Silvertone 2060 Ch= 101.861, -1 - Sears, Roebuck & Co.; Chicago
- Forme
- Console de forme générique
- Remarques
-
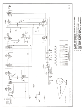
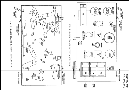
Silvertone model 2060 is an AC operated radio-phono combination AM superheterodyne receiver, built in loop antenna.
- Source extérieure
- Ernst Erb
- Source du schéma
- Rider's Perpetual, Volume 23 (last), covering up to 1954
- Schémathèque (1)
- Photofact Folder, Howard W. SAMS (Set 203, folder9, dated 5-53)
- D'autres Modèles
-
Vous pourrez trouver sous ce lien 5527 modèles d'appareils, 3234 avec des images et 4235 avec des schémas.
Tous les appareils de Sears, Roebuck & Co.; Chicago (IL)