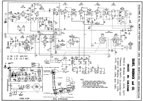
Silvertone 1075 Ch= 528.54071
Sears, Roebuck & Co.; Chicago (IL)
- País
- Estados Unidos
- Fabricante / Marca
- Sears, Roebuck & Co.; Chicago (IL)
- Año
- 1961 ?
- Categoría
- Radio - o Sintonizador pasado WW2
- Radiomuseum.org ID
- 88402
-
- Brand: Silvertone
Haga clic en la miniatura esquemática para solicitarlo como documento gratuito.
- Numero de valvulas
- 8
- Principio principal
- Superheterodino en general; ZF/IF 455/10700 kHz
- Número de circuitos sintonía
- 6 Circuíto(s) AM 10 Circuíto(s) FM
- Gama de ondas
- OM y FM
- Tensión de funcionamiento
- Red: Corriente alterna (CA, Inglés = AC) / 117 Volt
- Altavoz
- - Este modelo usa amplificador externo de B.F.
- de Radiomuseum.org
- Modelo: Silvertone 1075 Ch= 528.54071 - Sears, Roebuck & Co.; Chicago
- Anotaciones
- Chassis 528.54071 is an AM/FM receiver and used in models 1073, 1074, 1075, 1083, 1084 and 1085. To the model belongs also a poweramp and a power supply. Listed tubes refer only to the receiver.
- Autor
- Modelo creado por Egon Penker. Ver en "Modificar Ficha" los participantes posteriores.
- Otros modelos
-
Donde encontrará 5527 modelos, 3234 con imágenes y 4235 con esquemas.
Ir al listado general de Sears, Roebuck & Co.; Chicago (IL)