Silvertone 6-Tube Superheterodyne Order= 57LM 1597
Sears, Roebuck & Co.; Chicago (IL)
- Country
- United States of America (USA)
- Manufacturer / Brand
- Sears, Roebuck & Co.; Chicago (IL)
- Year
- 1933

- Category
- Broadcast Receiver - or past WW2 Tuner
- Radiomuseum.org ID
- 55881
-
- Brand: Silvertone
Click on the schematic thumbnail to request the schematic as a free document.
- Number of Tubes
- 6
- Main principle
- Superhet with RF-stage; ZF/IF 175 kHz; 2 AF stage(s)
- Tuned circuits
- 5 AM circuit(s)
- Wave bands
- Broadcast only (MW).
- Power type and voltage
- Alternating Current supply (AC) / 110-120 Volt
- Loudspeaker
- Electro Magnetic Dynamic LS (moving-coil with field excitation coil)
- Material
- Wooden case
- from Radiomuseum.org
- Model: Silvertone 6-Tube Superheterodyne Order= 57LM 1597 - Sears, Roebuck & Co.; Chicago
- Shape
- Console, Lowboy (legs < 50 %).
- Dimensions (WHD)
- 22 x 39 x 12.75 inch / 559 x 991 x 324 mm
- Notes
- The Sears Silvertone 1597 is a 4 legged Low-Boy console with stretcher base. Broadcast band only, but it reaches also some police broadcasts. The top and instrument panel are walnut veneered; the balance of the cabinet poilshed walnut finish. The model 1597 could be ordered for 25 cycle line power without any additional cost.
Order number 57LM 1597 1/4 with tubes for $ 28.95 or for easy payment: $ 5 "down" cash and $ 5 per month until paid $ 31.75. See details and summaries about Sears catalogs etc.
- Price in first year of sale
- 28.95 $
- External source of data
- Ernst Erb
- Source of data
- The Radio Collector's Directory and Price Guide 1921 - 1965
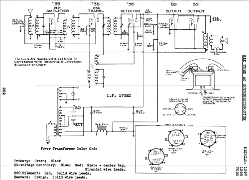
- Circuit diagram reference
- Rider's Perpetual, Volume 7 = 1936 and before
- Mentioned in
- Pre-War Consoles (Riders 7-1, 2)
- Literature/Schematics (1)
- The Sears Silvertone Catalogs 1930-1942 (page 64)
- Literature/Schematics (2)
- Sears, Roebuck Catalogs (Silvertone) (#166, Spring & Summer 1933, page 502.)
- Other Models
-
Here you find 5527 models, 3234 with images and 4235 with schematics for wireless sets etc. In French: TSF for Télégraphie sans fil.
All listed radios etc. from Sears, Roebuck & Co.; Chicago (IL)