Silvertone Order= 57DM 1714
Sears, Roebuck & Co.; Chicago (IL)
- Pays
- Etats-Unis
- Fabricant / Marque
- Sears, Roebuck & Co.; Chicago (IL)
- Année
- 1933/1934
- Catégorie
- Radio - ou tuner d'après la guerre 1939-45
- Radiomuseum.org ID
- 55917
-
- Brand: Silvertone
Cliquez sur la vignette du schéma pour le demander en tant que document gratuit.
- No. de tubes
- 8
- No. de transistors
- Semi-conducteurs
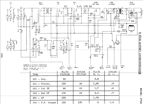
- 31_Ballast
- Principe général
- Super hétérodyne (en général); FI/IF 175 kHz
- Gammes d'ondes
- GO, OC et Police (Maritime)
- Tension / type courant
- Piles (rechargeables ou/et sèches) / 135 & 2-3 & 6 & -4.5 & -1.5 Volt
- Haut-parleur
- HP dynamique à aimant permanent + bobine mobile / Ø 10.3 inch = 26.2 cm
- Matière
- Boitier en bois
- De Radiomuseum.org
- Modèle: Silvertone Order= 57DM 1714 - Sears, Roebuck & Co.; Chicago
- Forme
- Console avec pieds bas < 50% de la hauteur
- Dimensions (LHP)
- 24 x 37 x 13 inch / 610 x 940 x 330 mm
- Prix de mise sur le marché
- 66.00 $
- Source extérieure
- Ernst Erb
- Source du schéma
- Rider's Perpetual, Volume 4 = ca. 1934 and before
- Littérature
- Pre-War Consoles
- Schémathèque (1)
- The Sears Silvertone Catalogs 1930-1942 (page 70, 73)
- Schémathèque (2)
- Sears, Roebuck Catalogs (Silvertone) (#167, Fall & Winter 1933/34, page 631. #168, Spring & Summer 1934, page 369.)
- Schémathèque (4)
- Riders 4-20, 21
- D'autres Modèles
-
Vous pourrez trouver sous ce lien 5527 modèles d'appareils, 3234 avec des images et 4235 avec des schémas.
Tous les appareils de Sears, Roebuck & Co.; Chicago (IL)