Silvertone 1802A
Sears, Roebuck & Co.; Chicago (IL)
- Country
- United States of America (USA)
- Manufacturer / Brand
- Sears, Roebuck & Co.; Chicago (IL)
- Year
- 1935
- Category
- Broadcast Receiver - or past WW2 Tuner
- Radiomuseum.org ID
- 55949
-
- Brand: Silvertone
Click on the schematic thumbnail to request the schematic as a free document.
- Number of Tubes
- 5
- Main principle
- Superheterodyne (common); ZF/IF 445 kHz; 2 AF stage(s)
- Tuned circuits
- 6 AM circuit(s)
- Wave bands
- Broadcast and Short Wave (SW).
- Power type and voltage
- Alternating Current supply (AC) / Either 25 cycle, 110V or 50-60 cycle, 110 Volt
- Loudspeaker
- Electro Magnetic Dynamic LS (moving-coil with field excitation coil)
- Material
- Wooden case
- from Radiomuseum.org
- Model: Silvertone 1802A - Sears, Roebuck & Co.; Chicago
- Shape
- Tablemodel, Tombstone = decorative upright, not cathedral but can have rounded edges.
- Dimensions (WHD)
- 12 x 13.5 x 7.75 inch / 305 x 343 x 197 mm
- Notes
-
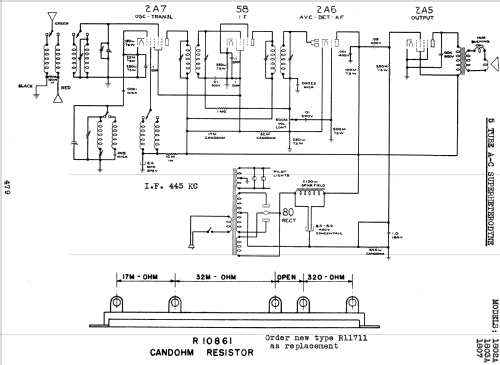
The Sears Silvertone 1802A is an AC operated 5 tube BC and SW band receiver.
Chassis and schematic used in this model also used in models 1803A and 1807.
See details and summaries about Sears catalogs etc. This model was manufactured for Sears by Colonial Radio Corp., Buffalo, NY (Sears Manufacturer Source Number Code 101).
- Price in first year of sale
- 25.00 $
- External source of data
- Ernst Erb
- Source of data
- The Radio Collector's Directory and Price Guide 1921 - 1965
- Circuit diagram reference
- Rider's Perpetual, Volume 5 = ca. 1934 and before
- Mentioned in
- The Sears Silvertone Catalogs 1930-1942
- Literature/Schematics (1)
- Machine Age to Jet Age II (Riders Sears 5-31, 31 ; 8-5)
- Literature/Schematics (2)
- Silvertone Radios, Service Inf. 1928 thru 1936 (Pages 479 to 484)
- Other Models
-
Here you find 5533 models, 3235 with images and 4241 with schematics for wireless sets etc. In French: TSF for Télégraphie sans fil.
All listed radios etc. from Sears, Roebuck & Co.; Chicago (IL)