Silvertone 1854A
Sears, Roebuck & Co.; Chicago (IL)
- País
- Estados Unidos
- Fabricante / Marca
- Sears, Roebuck & Co.; Chicago (IL)
- Año
- 1934
- Categoría
- Radio - o Sintonizador pasado WW2
- Radiomuseum.org ID
- 55991
-
- Brand: Silvertone
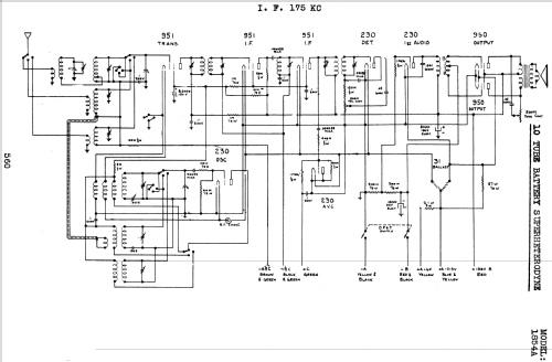
Haga clic en la miniatura esquemática para solicitarlo como documento gratuito.
- Numero de valvulas
- 9
- Numero de transistores
- Semiconductores
- 31_Ballast
- Principio principal
- Superheterodino en general; ZF/IF 175 kHz
- Número de circuitos sintonía
- 7 Circuíto(s) AM
- Gama de ondas
- OM y dos OC
- Tensión de funcionamiento
- Baterías recargables o pilas / 135 & -6 & 2-3 & -4.5 & -1.5 Volt
- Altavoz
- Altavoz dinámico (de imán permanente) / Ø 10 inch = 25.4 cm
- de Radiomuseum.org
- Modelo: Silvertone 1854A - Sears, Roebuck & Co.; Chicago
- Anotaciones
- Ballast tube 31.
- Ext. procedencia de los datos
- Ernst Erb
- Referencia esquema
- Rider's Perpetual, Volume 7 = 1936 and before
- Documentación / Esquemas (1)
- Riders 7-7, 8
- Otros modelos
-
Donde encontrará 5527 modelos, 3234 con imágenes y 4235 con esquemas.
Ir al listado general de Sears, Roebuck & Co.; Chicago (IL)