Silvertone 1992-A
Sears, Roebuck & Co.; Chicago (IL)
- Land
- USA
- Hersteller / Marke
- Sears, Roebuck & Co.; Chicago (IL)
- Jahr
- 1936
- Kategorie
- Rundfunkempfänger (Radio - oder Tuner nach WW2)
- Radiomuseum.org ID
- 56107
-
- Marke: Silvertone
Klicken Sie auf den Schaltplanausschnitt, um diesen kostenlos als Dokument anzufordern.
- Anzahl Röhren
- 5
- Hauptprinzip
- Superhet allgemein; ZF/IF 175 kHz
- Anzahl Kreise
- 6 Kreis(e) AM
- Wellenbereiche
- Mittelwelle und Kurzwelle.
- Betriebsart / Volt
- Trockenbatterien / 135 & 3 Volt
- Lautsprecher
- Magnetischer Lautsprecher allgemein, System nicht definiert
- Material
- Gerät mit Holzgehäuse
- von Radiomuseum.org
- Modell: Silvertone 1992-A - Sears, Roebuck & Co.; Chicago
- Form
- Standgerät auf niedrigen Beinen (Beine < 50 % der Gesamthöhe).
- Datenherkunft extern
- Ernst Erb
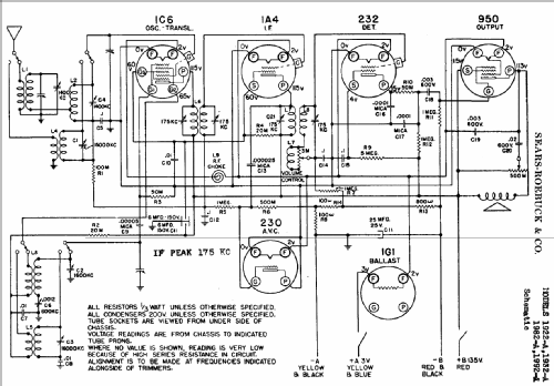
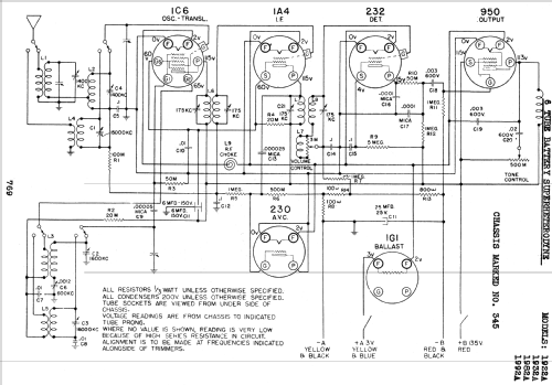
- Schaltungsnachweis
- Rider's Perpetual, Volume 6 = 1935 and before
- Literatur/Schema (1)
- Riders 6-48, 49
- Weitere Modelle
-
Hier finden Sie 5533 Modelle, davon 3235 mit Bildern und 4241 mit Schaltbildern.
Alle gelisteten Radios usw. von Sears, Roebuck & Co.; Chicago (IL)