Silvertone 2037 Ch= 528.53760 Order=57G 2037
Sears, Roebuck & Co.; Chicago (IL)
- Country
- United States of America (USA)
- Manufacturer / Brand
- Sears, Roebuck & Co.; Chicago (IL)
- Year
- 1961
- Category
- Broadcast Receiver - or past WW2 Tuner
- Radiomuseum.org ID
- 88410
-
- Brand: Silvertone
Click on the schematic thumbnail to request the schematic as a free document.
- Number of Tubes
- 5
- Main principle
- Superheterodyne (common); ZF/IF 455 kHz; 2 AF stage(s)
- Tuned circuits
- 6 AM circuit(s)
- Wave bands
- Broadcast only (MW).
- Power type and voltage
- Alternating Current supply (AC) / 105 - 125 Volt
- Loudspeaker
- Permanent Magnet Dynamic (PDyn) Loudspeaker (moving coil) / Ø 4 inch = 10.2 cm
- Material
- Plastics (no bakelite or catalin)
- from Radiomuseum.org
- Model: Silvertone 2037 Ch= 528.53760 Order=57G 2037 - Sears, Roebuck & Co.; Chicago
- Shape
- Tablemodel with Clock ((Alarm-) Clock Radio).
- Dimensions (WHD)
- 12 x 7 x 4 inch / 305 x 178 x 102 mm
- Notes
-
Cabinet=Beige.
The Sears, Roebuck & Co. Model Silverton 2037 is an AC Operated 5 Tube AM Receiver with Electric Clock.Model Cabinet (gold and silver-color trim) 2035 Brown and Ivory 2036 Ivory 2037 Gray and Ivory 2038 Frosty Pink and Ivory
- Price in first year of sale
- 24.50 $
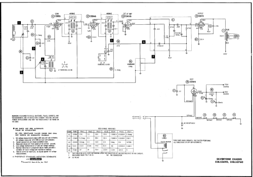
- Circuit diagram reference
- Beitman Radio Diagrams Vol. 22, 1962
- Literature/Schematics (1)
- Photofact Folder, Howard W. SAMS (Date 6-62, Set 582, Folder 12)
- Literature/Schematics (4)
- Sears, Roebuck Catalogs (Silvertone) (Fall/Winter 1961, page 1233.)
- Author
- Model page created by Egon Penker. See "Data change" for further contributors.
- Other Models
-
Here you find 5527 models, 3234 with images and 4235 with schematics for wireless sets etc. In French: TSF for Télégraphie sans fil.
All listed radios etc. from Sears, Roebuck & Co.; Chicago (IL)